有的配管设计人员错误认为不锈钢是“万能不腐蚀材料”,无论什么腐蚀介质和设计条件都用不锈钢,这是非常危险的。
1. 硫酸
作为强腐蚀介质之一,硫酸是用途广泛的重要工业原料。不同浓度和温度的硫酸对材料的腐蚀差别较大,对于浓度在80%以上、温度小于80℃的浓硫酸,碳钢和铸铁有较好的耐蚀性,但它不适合高速流动的硫酸。普通不锈钢如304不锈钢、316不锈钢对硫酸介质用途有限。因此输送硫酸的阀通常采用高硅铸铁、高合金不锈钢(20号合金)制造。氟塑料等非金属材料具有较好的耐硫酸性能。
2. 盐酸
大多数金属材料(包括各种不锈钢材料)都不耐盐酸腐蚀,含钼高硅铁也仅可用于50℃、30%以下盐酸。和金属材料相反,绝大多数非金属材料对盐酸都有良好的耐腐蚀性,所以内衬橡胶或塑料(如聚丙烯、氟塑料等)是输送盐酸的较好选择。
3. 硝酸
在硝酸中一般金属易被迅速腐蚀破坏。不锈钢是应用较广的耐硝酸材料,对常温下一切浓度的硝酸都有良好的耐蚀性,含钼的不锈钢(如316、316L)对硝酸的耐蚀性不如普通不锈钢(如304、321)。而对于高温硝酸,通常采用钛及钛合金材料。
4. 醋酸
它是有机酸中腐蚀性最强的物质之一,普通钢铁在一切浓度和温度的醋酸中都会严重腐蚀,不锈钢是优良的耐醋酸材料,含钼的316不锈钢还能适用于高温和稀醋酸蒸气。对于高温高浓醋酸或含有其他腐蚀介质等苛刻要求,可选用高合金不锈钢或氟塑料材料。
5. 碱(氢氧化钠)
碳钢广泛应用于80℃以下、30%浓度内的氢氧化钠溶液,也有许多工厂在100℃、75%以下时仍采用普通碳钢,虽然腐蚀增加,但是综合经济性好。普通不锈钢对碱液的耐蚀性与铸铁碳钢相比没有明显优点。对于高温碱液多采用钛及钛合金或者高合金不锈钢。
6. 氨(氢氧化氨)
大多数金属和非金属在液氨及氨水(氢氧化氨)中的腐蚀都很轻微,铜和铜合金不宜使用。
7. 盐水(海水)
普通碳钢在氯化钠溶液和海水、咸水中腐蚀率不太高,一般须采用涂料保护。各类不锈钢也有很低的均匀腐蚀率,但可能因氯离子而引起局部性腐蚀,通常采用316不锈钢较好。
8. 醇类、酮类、酯类、醚类
常见的醇类介质有甲醇、乙醇、乙二醇、丙醇等,酮类介质有丙酮、丁酮等,酯类介质有各种甲酯、乙酯等,醚类介质有甲醚、乙醚、丁醚等,它们基本没有腐蚀性,碳钢材料均可适用,具体选用时还应根据介质的属性和相关要求做出合理选择。酮、酯、醚等对多种橡胶有溶解性,在选择密封材料时避免出错。
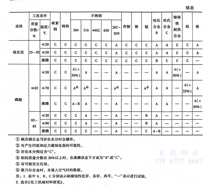
常用腐蚀介质金属选材见表8.1.7。







①. 铜及铜合金当存在水分时会爆炸。
②. 有产生凹痕和应力腐蚀龟裂的可能性。
③. 存在水分则应为“C”。
④. 钽的质量分数在30%以上时,在沸腾状态下才成为“B”或“C”。
⑤. 有可能发生孔蚀。
⑥. 蒙乃尔合金时,未混入空气时的数据。
注:1. 表中A、B、C分别表示耐腐蚀性优异、良好、尚可,“一”表示进行试验。
2. 选自《化工机械材料便览》。

