
inconel产品的均匀腐蚀可以发生在酸性或热的碱性溶液。通过这种机制可以预计的亏损,并在设计允许的。inconel产品的腐蚀速率非常慢时,该金属是在被动状态,一般的是耐腐蚀性更好地较大的铬含量,但其他的溶质可以是有害的。
(00Cr20Ni60Mo8Nb3Ti)Inconel 725 合金是一种既具有高耐蚀性又可时效硬化到极高强度的Ni-Cr-Mo-Nb-Ti- Al耐蚀合金。此合金的耐蚀性基本上与已广泛使用的Inconel 625合金一致,时效硬化处理的725合金的强度水平是625合金的2倍,并且其塑韧性仍保持较高的水平。对于在腐蚀环境中应用,既要求具有优异耐蚀性又要求具有高强和高的塑韧性的服役条件,一些大型部件或截面尺寸不均匀的部件不能釆用冷加工的强化措施,这种时效硬化型镣基耐蚀合金不失是一种最佳选择。Inconel 725合金已在酸性气田开发中得到成功应用。
一、化学成分特点和组织结构
(00Cr20Ni60Mo8Nb3Ti)Inconel 725 合金的化学成分见表 8-7。合金的 Cr、Ni、Mo、Nb 含量与625合金基本一致,这是此合金的耐蚀特性与625合金一致的根本原因,两者的差别在于725合金中的碳降到0.03%以下,并加入Ti和Al,前者减少了碳化物析出敏感性而提高耐晶间腐蚀能力,后者赋予了合金的时效强化功能。


(00Cr20Ni60Mo8Nb3Ti)Inconel 725 合金在固溶退火状态下为纯奥氏体合金,在时效状态下有碳化物和金属间相形成,碳化物以M6C为主并有MC和M23C6型碳化物形成,此合金金属间相为[Ni3(Nb,Ti,Al)],后者为合金的主要时效强化相, 其功能是提高合金的强度。
二、力学性能
(00Cr20Ni60Mo8Nb3Ti)Inconel 725 合金的室温力学性能见表8-106。时效硬化棒材高温瞬时力学性能见图 8-92。16~16.5mm棒材(固溶+时效硬化处理)的高温瞬时力学性能列于表 8-107。


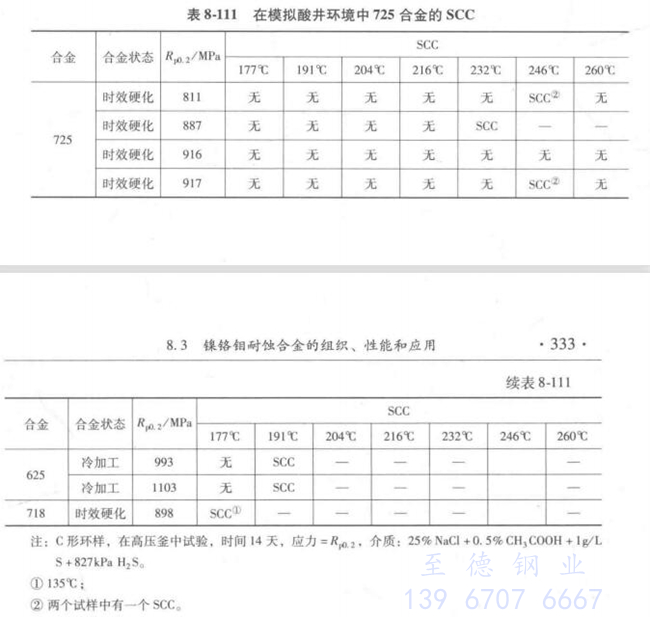
三、耐蚀性能
1. 全面腐蚀
在酸溶液中,不同热处理状态的725合金的耐蚀性列于表8-108,为了比较 引入了文献中的625和C-276合金,显然725合金的耐蚀性可与退火态的625合金和 C-276合金媲美。

表 8-109 为725合金在酸性介质中的耐蚀性随试验时间和介质温度的变化而 发生的变化。

2. 应力腐蚀
在判定由硫化物引起的应力腐蚀(氢脆)的标准试验中(NACET M0177 ),725 合金的腐蚀数据见表8-110。这些数据指岀725合金优于625合金和718合金。

在模拟酸性井环境中,725合金的应力腐蚀行为见表8-111 和图8-93。725 合金的耐SCC性能优于冷加工的625合金、G-3合金、925合金、825合金和718 合金,近于C-276合金。


3. 耐缝隙腐蚀性能和腐蚀疲劳
时效状态的725合金的耐缝隙腐蚀性能优于退火态的625合金(表8-112), 在海水中的疲劳性能与空气中的一致(图8-94)。


四、热处理、热成型和焊接性能
1. 热处理
(00Cr20Ni60Mo8Nb3Ti)Inconel 725 合金的强化是依赖于时效处理 γ''相沉淀实现的,时效前应使合金固溶退火,然后再施以时效处理。
固溶退火:1040℃ 固溶,AC(空冷)。
时效处理:对于酸性气井应用, 推荐下述处理工艺,730℃×8 h 、炉冷 (56℃/h)至620℃ × 8h, AC。
2. 热成型
725合金的适宜热成型温度为 899~1121℃,因其强度高,热成型设备应具有足够的变形力。为使部件具有均匀一致的变形,在变形的低温区(890 ~950℃)应适度减少压缩量。为了避免混晶结构,应给予合金较均匀的压缩量,对于开口模热作,最终的压缩量应大于20%,对于闭口模热作,最终变形量应大于10% ,热作后空冷。在热作过程中既要避免 过热又要避免低于899℃的冷点出现,一旦出现表面裂纹或其他缺陷要即时去除。建议将热作工具和模具预热到260℃,对消除部件表面裂纹和缺陷是有益的。
3. 焊接
725合金最适宜的焊接方式是GTAW和GMAW,不推荐使用SAW和SMAW, 充填金属应采用725NDUR,以确保焊件的强度。表8-113 为采用725NDUR焊丝堆焊1层在 5% NaCI +517kPa H2S +2758kPa CO2, 149℃ 环境下的慢速拉伸试验数据。表中的数据为在腐蚀环境和空气中采用相同慢速拉伸参数所获得的数据 比,通常这个比值在0.90以上是可接受的。表8-114 为725NDUR焊缝金属 (GMA)的室温力学性能,表8-115 其冲击性能。


表8-114 和 表8-115的数据说明,焊后高温退火再经双时效处理可使其冲击韧性明显提高。
五、物理性能
(00Cr20Ni60Mo8Nb3Ti)Inconel 725 合金物理性能分别见表8-116 ~表8-118。


六、应用
(00Cr20Ni60Mo8Nb3Ti)Inconel 725 合金集耐腐蚀性与高强度于一身,它主要应用于耐蚀环境的高强度部件,在酸性气井的环境中它已用作悬挂件、偏心工作筒,抛光座圈和地面接头等,用以抵抗硫化氢、氯化物和二氧化碳的腐蚀。因725合金具有与625合金相当的耐蚀性,它亦是在海水中高强度紧固件的优选材料,在海水中提供了良好的耐点蚀、耐缝隙腐蚀性能。此外,此合金特别适宜用做聚合物的挤压模,在要求高强度的强腐蚀环境服役条件下,它亦提供了高强度和耐蚀性的双重性能。
