
沉淀硬化不锈钢是一类含沉淀硬化元素(Cu、Al、Ti、Nb)的铁铬镍合金,可以通过热处理强化,此类钢具有高强度、足够的韧性和适宜的耐蚀性。主要应用于宇航工业和一些高技术产业。 沉淀硬化不锈钢可区分为马氏体、半奥氏体和奥氏体沉淀硬化不锈钢三种主要类型,近年来又出现了铁素体沉淀硬化不锈钢。在马氏体沉淀不锈钢中,基于马氏体时效钢的经验,近年来出现了马氏体时效不锈钢,与前者比较,后者碳含量较低,其强化手段主要是靠金属间化合物析出,且热处理简单。
0Cr15Ni25MoTiA1VB、A-286 不锈钢是一种采用生成金属间化合物Ni3(Al、Ti)、Ni3(TiAl)强化的奥氏体沉淀硬化不锈钢。此钢主要用于小于705℃的工作环境下,要求具有高强度和优良耐蚀性的部件或设备。0Cr15Ni25MoTiA1VB钢具有高的缺口强度,超过与之可比的任何商业合金。在温度低于980℃的抗氧化性能相当于310S不锈钢。在时效条件下,此钢的屈服强度水平可达600MPa。
一、化学成分
0Cr15Ni25MoTiA1VB、A-286 不锈钢的化学成分见表5-115。

二、室温力学性能
标准所规定的室温力学性能指标见表5-116。

不同热处理状态的0Cr15Ni25MoTiA1VB、 A-286 不锈钢的典型室温力学性能见表5-117。

淬火的冷却速度对经时效的0Cr15Ni25MoTiA1VB、A-286 不锈钢的室温力学性能的影响见表5-118。

钢的冲击性能和温度之间的关系见表5-119。

三、疲劳和断裂韧性
0Cr15Ni25MoTiA1VB、A-286 不锈钢的疲劳裂纹扩展速率见图5-32。

用J- 积分方法获得的断裂韧性见表 5-120 。
四、高温力学性能
Φ22mm棒材,经980℃×1h油淬后,再经718℃时效16小时后空冷的0Cr15-Ni25MoTiA1VB的高温瞬时拉伸性能见表5-121。薄板的高温拉伸性能见图5-33。淬火冷却速度对钢的高温拉伸性能的影响见表5-122。

0Cr15Ni25MoTiA1VB、A-286 不锈钢的高温缺口强度见图5-34。

0Cr15Ni25MoTiA1VB、A-286 不锈钢的高温承载(bearing)强度以及高温时效对承载(bearing)强度的影响见图5-35和图5-36。
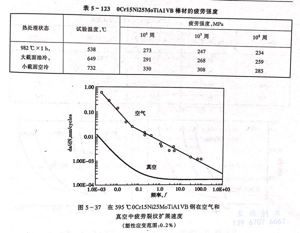
0Cr15Ni25MoTiA1VB、 A-286 不锈钢的高温疲劳性能见表 5-123 。裂纹扩展速率见图 5-32 和 图 5-37 。

0Cr15Ni25MoTiA1VB、A-286 不锈钢的持久强度见图 5-38 。

0Cr15Ni25MoTiA1VB、A-286 不锈钢不锈钢的蠕变行为见表 5-124 和 图 5-39至图 5-41 。


不同热处理状态的0Cr15Ni25MoTiA1VB、A-286 不锈钢的高温硬度见表 5-125 和 表 5-126 。

五、耐蚀性
0Cr15Ni25MoTiA1VB、 A-286 不锈钢钢的耐蚀性优于0Cr15Ni17Mo2A1,在还原性酸性介质中接近于316不锈钢。在航空发动机的服役环境,在直到704℃的条件均具有优异的耐蚀性。其抗氧性能相当于310S不锈钢。
六、工艺性能
a. 热加工
钢的热加工温度范围为927~1121℃,最佳热变形温度为1038~1120℃,其变形抗力稍大于18-8型奥氏体不锈钢。
b. 冷加工
在固溶处理状态下,0Cr15Ni25MoTiA1VB、A-286 不锈钢可以进行满意的冷加工和冷成形,但较316不锈钢 和310S不锈钢硬,加工硬化速度亦较快。
c. 热处理
此钢可采用两种固溶处理制度,时效处理温度为704~730℃时效时间为12~18h。
①. 900℃×(1-2)h,水冷或油冷+730℃×16h,空冷。
②. 980℃×(1-2)h,水冷或油冷+730℃×16h,空冷。
前者热处理状态可获得最好的强度,后者可获得最好的塑韧性和较高的硬度。
d. 焊接
此钢易于进行手工电弧和惰性气体保护电弧焊,推荐在固溶处理条件下进行焊接操作。
七、物理性能
0Cr15Ni25MoTiA1VB、A-286 不锈钢的物理性能见表5-127,表5-128和图5-42、图5-43。


八、应用
0Cr15Ni25MoTiA1VB、A-286 不锈钢注意应用于宇航工业高温耐蚀部件,如发动机转轮、叶片、骨架、加力燃烧室部件和螺栓等。
