
马氏体不锈钢是一类可通过热处理(淬火回火)对其性能进行调整的不锈钢,通俗地讲是一类可硬化的不锈钢,此类钢具有高的硬度、良好的力学性能和不锈性,这些特性决定了此类钢必须具备两个基本条件:其一,在平衡相图中必须有奥氏体相区存在;其二,为使钢形成耐腐蚀的钝化膜,铬含量必须在10.5%以上。马氏体不锈钢在淬火状态下具有体心四方晶体结构(马氏体),具有铁磁性,在较弱腐蚀环境中具有耐蚀性。钢中的铬含量可达18%,碳可以超过1.2%。
2Cr13、20Cr13、420 不锈钢是马氏体不锈钢,其主要性能类似1Cr13不锈钢。由于含碳量较高,其强度、硬度高于1Cr13,而韧性和耐蚀性略低。热处理后经抛光,在弱腐蚀介质(如盐水溶液、硝酸及某些浓度不高的有机酸食品生产介质)中,温度不高(大约30℃以下)的条件下,具有良好的耐蚀性。在淡水、海水、蒸汽、潮湿大气条件下亦表现出良好的可用的耐蚀性。在硫酸、盐酸、热硝酸、熔融碱等介质中耐蚀性较差。此外,2Cr13、20Cr13、420 不锈钢在700℃以下具有足够的强度、热稳定性和良好的减振性。2Cr13、20Cr13、420 不锈钢主要用于制造承受高应力负荷的零件,如汽轮机叶片、热油泵轴和轴套、叶轮、水压机阀片等,亦可用于造纸工业和医疗器械以及日用消费领域的刀具、餐具等。
一、化学成分
2Cr13、20Cr13、420 不锈钢的化学成分见表3-19。

二、室温力学性能
2Cr13、20Cr13、420 不锈钢的室温力学性能见表3-20。热处理与室温力学性能的关系见图3-8至图3-10。



三、疲劳和断裂韧性
2Cr13、20Cr13、420 不锈钢的室温旋转弯曲疲劳性能见表3-21和图3-11和图3-12。

2Cr13、20Cr13、420 不锈钢(1000℃油淬,700℃回火)的高温疲劳和腐蚀疲劳行为分别见图3-13和图3-14。2Cr13钢光滑和缺口试样弯曲疲劳极限见表3-22。


2Cr13、20Cr13、420 不锈钢的疲劳裂纹扩展速率和疲劳裂纹扩展门槛值的测室结果见表3-23和表3-24。试样为11mm×44mm紧凑拉伸试样。

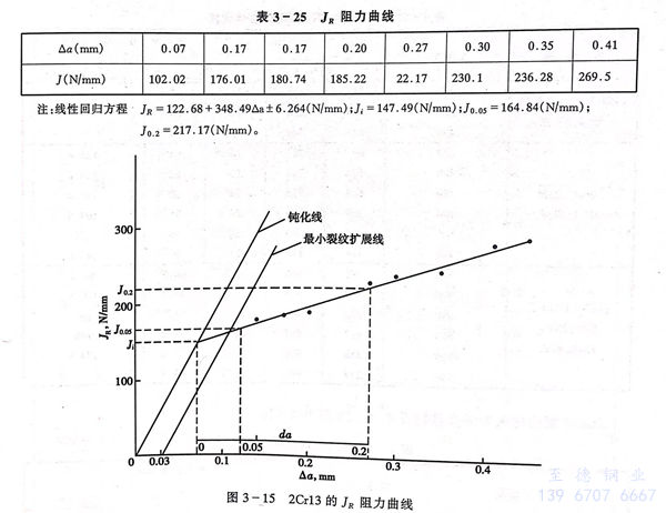
2Cr13、20Cr13、420 不锈钢的JR阻力曲线的测试结果见表3-25和图3-15,试样为20mm×24mm×96mm三点弯曲试样。

不同热处理状态的2Cr13钢的断裂韧性和SCC的门槛值见表3-26。

四、高温力学性能
2Cr13、20Cr13、420 不锈钢的高温瞬时拉伸性能见表3-27。

2Cr13、20Cr13、420 不锈钢的持久和蠕变性能见表3-28和表3-29。

五、耐蚀性
2Cr13、20Cr13、420 不锈钢的耐蚀性能见表3-30。钢的腐蚀疲劳性能见图3-16。

六、工艺性能
a. 热加工
不锈钢的热加工性能良好,适宜的热加工温度区间为850~1200℃,热变形终了应采用砂冷或及时退火,热加工的升温操作应缓慢,在低于850℃时应缓慢加热,冷装炉温度≤800℃。
b. 冷加工
冷加工性能良好,可进行冷轧、冷冲压、深拉等加工操作,消除应力退火可采用730~780℃回火。
c. 热处理
2Cr13、20Cr13、420 不锈钢的热处理工艺见表3-31。

d. 焊接
2Cr13、20Cr13、420 不锈钢焊后硬化倾向大,易出现裂纹,若用Cr202、Cr207焊条焊接时,焊前需经250~350℃预热,焊后需经700~750℃回火;若用奥107、奥207焊条焊接,可不进行焊后热处理。
七、物理性能
2Cr13、20Cr13、420 不锈钢的物理性能和衰减性能见表3-32。

八、应用
经热处理后的2Cr13、20Cr13、420 不锈钢,可用于承受较高应力的零部件,如透平后几级及低温段长叶片、阀、阀件、热裂设备,紧固件等。亦大量应用于造纸工业刀具,食品加工机械及餐具。
