
铁素体不锈钢在加热冷却时都没有α'γ'转变,始终保持铁素体组织。这类钢含铬量较高,为17%~28%,主要是作为热稳定钢,也可作为耐蚀钢。铁素体不锈钢由于不含镍,生产制造成本要比奥氏体不锈钢低,但其热稳定性和耐蚀性在有些情况下,比奥氏体不锈钢还要好,特别是耐氯离子腐蚀。因此,大力推广铁素体不锈钢的应用,不但可以降低成本,而且还能节约宝贵的镍资源。这样看来,使用铁素体不锈钢不仅可以节约镍,而且还是在许多特殊使用环境中的最佳选材。
(0Cr11Ti)409不锈钢、(022Cr11Ti )409L不锈钢是低铬铁素体不锈钢中的一种,铬含量10.5%~11.75%。它们具有良好的成型性,经济性,耐蚀性,抗氧化性等综合性能。它们的典型用途是汽车排气系统相关部件。
一、化学成分
(0Cr11Ti)409不锈钢、(022Cr11Ti )409L不锈钢的化学成分见表2-1。

Cr11Ti 不锈钢由于含铬低,低碳,氮又加Ti,所以在铁素体不锈钢中强度相对较低,延伸率相对较高。
四、耐蚀性
(0Cr11Ti)409不锈钢、(022Cr11Ti )409L不锈钢在比较弱的腐蚀环境中,如大气和淡水中有着优异的耐蚀性。在含微量HCl的沸腾溶液中它们的腐蚀率较(0Cr13)410不锈钢,(00Cr13)410L不锈钢 低,也较0Cr17钢低,有着较宽的耐酸界限,(见图2-1)。在模拟汽车消音器冷凝液的环境下,钢的腐蚀率随Cr量增加而降低,当Cr≥11%,腐蚀率降到非常低(见图2-2)。因此,(0Cr11Ti)409不锈钢、(022Cr11Ti )409L不锈钢已在现代汽车排气系统中代替镀Al钢,得到广泛应用。

五、抗氧化性
(0Cr11Ti)409不锈钢、(022Cr11Ti )409L不锈钢有着比软钢更为优异的高温抗氧化性,断续高温使用温度为815℃,连续使用为675℃。Cr11Ti钢,由于含Cr量较低,在900℃大气中100小时连续加热通常会发生氧化,所以此钢在过于苛刻的氧化条件不宜使用。图2-3示出,在含3%水分1000℃氧气氛围中进行氧化试验的结果。0Cr13(410不锈钢)钢5小时多就发生异常的氧化,氧化增量急剧增加,与之相比含0.2%Al的0Cr12(405不锈钢)钢初期氧化增量较低,而经过10小时后也加速氧化,图中00Cr11Ti(Cr11.9%,Ti0.7%)材料较0Cr13Al(405不锈钢),00Cr13(410L不锈钢)抗氧化性好,而加入1.5%Si和加B钢表现出最好的抗氧化性。
六、冷热加工和热处理
(0Cr11Ti)409不锈钢、(022Cr11Ti )409L不锈钢开始热加工温度为1100~1150℃,卷取温度~600℃,热轧带坯在罩式炉退火830~870℃ 8小时。
冷轧带在冷线或混线的连续退火酸洗线上处理,热处理控制在860℃±10℃。
七、成型性
(0Cr11Ti)409不锈钢、(022Cr11Ti )409L不锈钢的成型性较奥氏体不锈钢和软钢差些,但是在铁素体不锈钢中是最优异的。可进行相当程度的成型加工。评价冲压成型有两大要素,即深拉伸性和胀形性。
a. 深拉伸性
深拉伸性与钢板的结构有关。022Cr11Ti,由于低碳,氮又加Ti,钢板平行轧制面{111}较发达,因此y值较高,深拉伸性较好,图2-4指出Ti含量对低C,NCr13铁素体不锈钢γ值的影响,Ti加入量为(C+N)的10倍以上时γ值最好。

b. 胀形性
胀形性是以延伸率和n值为指标的,它受钢的合金元素的含量和纯度的影响,Cr、C及其他元素含量愈低,纯净度愈高,胀形性愈好。低Cr铁素体不锈钢本质上Cr就低,对延伸率是有利的,因此以Cr11为基,再降低不纯物元素含量并加入微量Ti,必然具有较好的胀形性并兼备极好的深拉伸性。

表2-3示出00Cr13(410L不锈钢)、022Cr11Ti(409L不锈钢)成型性试验值,其成型性是良好的,特别是022Cr11Ti,γ 值,Eγ值 CCV 值及扩孔比都好。图2-5给出022Cr11Ti、0Cr17钢板的成形极限,022Cr11Ti比0Cr17大得多。

八、焊接性
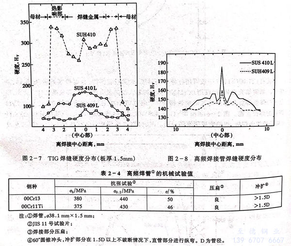
(0Cr11Ti)409不锈钢、(022Cr11Ti )409L不锈钢一般可用各种方法焊接,如钨极氩弧焊,金属极氩弧焊,电阻焊,点焊等。如需填充金属,建议用0Cr11Nb,焊接时输入的热量应该小些,避免晶粒过分长大,以免过分降低焊缝和热影响区的塑性和韧性。0Cr11Ti,00Cr11Ti钢有着较0Cr13Al、00Cr13钢好的焊接性能。图2-6示出0Cr11Ti(409),0Cr3A1(405),0Cr13(410)厚板用0Cr23Ni11(309)型焊条焊接,焊缝附近硬度的分布。0Cr11Ti焊缝附近,HAZ(热影响区)硬度几乎没有变化,没有马氏体生成,仅由于高温下单相铁素体晶粒粗化,所以022Cr11Ti 不锈钢厚板焊接加工时,应尽量减小输入热量,避免晶粒长大引起HAZ破裂。图2-7示出板厚1.5mm焊接,焊缝附近硬度分布,022Cr11Ti(409L)焊缝金属和热影响区是铁素体单相,硬度几乎没有变化,因此,薄板焊缝加工性能优异。图2-8示出022Cr11Ti(409L)汽车排气管高频焊,焊缝附近硬度分布,焊缝中心由于加压变形较周边硬度略有升高。高频焊与电弧焊不同,几乎看不出溶融凝固处。高频不锈钢焊管性能示于表2-4,有着优异的延伸率和加工性,用作排气管等加工无特殊困难。

九、用途
(0Cr11Ti)409不锈钢在不锈钢中耐蚀性和抗氧化性属于较低水平,但是与软钢比较,它具有优异的耐蚀性、抗氧化性,成型性,良好焊接性,而且价格低廉,因此被广泛应用于汽车排气系统中,如消音器、尾气管、触煤转换器的壳等。最近为提高排气净化效率和轻量化,原来使用铸铁制造的排气管也使用(022Cr11Ti )409L不锈钢。另外,贮藏器和冷水罐等焊接构件和器物也大量采用(022Cr11Ti )409L不锈钢。还有煤气燃烧喷咀等需深拉伸成形部件也大量采用(022Cr11Ti )409L不锈钢。
