1. 法兰用垫片的选择
压力容器法兰用垫片为非金属软垫片、缠绕垫片及金属包覆垫片三种,具体可按NB/T47024-2012《非金属软垫片》、NB/T 47025-2012《缠绕垫片》和NB/T 47026-2012《金属包覆垫片》等垫片标准选用。
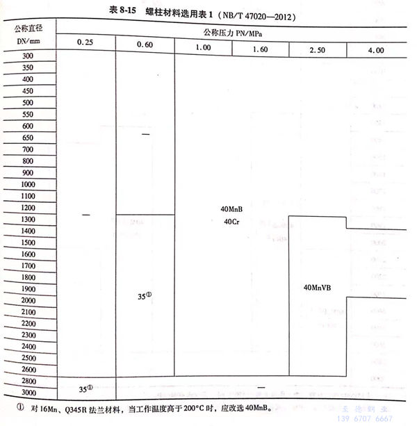
2. 法兰用螺柱的选择
a. 螺柱材料的选用
压力容器法兰用螺柱材料选用表见表8-15~表8-17。



b. 螺柱的型式与尺寸
法兰用等长双头螺柱的型式与尺寸应符合NB/T 47027-2012《等长双头螺柱》的规定。
3.法兰、垫片、螺柱与螺母材料匹配
甲型平焊法兰、乙型平焊法兰和长颈对焊法兰(以下简称甲型、乙型、长颈法兰)与垫片、螺柱与螺母材料的匹配(含适用温度范围)见表8-18。
螺柱的硬度(布氏硬度,HBW)应比螺母硬度高20~30,相同强度级别的材料可以通过不同的热处理状态实现。



