不锈钢零件在进行表面抛光、钝化处理、电镀、着色等以前,应该进行预处理。不锈钢零件在成形过程中,零件表面可能有油污、毛刺、脏物和氧化物,因而在对不锈钢零件进行表面处理前,首先应该进行预处理,把零件表面的油污、脏物、毛刺、不平表面和氧化物除去,才能在后续的加工中获得满意的效果。
一、不锈钢零件预处理的步骤
1. 不锈钢零件预处理的第一步是进行零件表面的机械处理,消除不锈钢零件表面的粗糙状态,一般采用机械磨光、抛光,使不锈钢零件的表面达到一定的表面粗糙度值。
2. 除去不锈钢零件的表面油污。
3. 除去不锈钢零件的表面氧化物。
4. 弱腐蚀。活化待处理表面,除去不锈钢零件表面的钝化膜,露出金属结晶组织。
二、不锈钢零件表面预处理的方法
1. 机械法
用磨光机、抛光机或其他机械方法消除不锈钢零件表面粗糙状态,减少表面粗糙度值,并去掉表面的毛刺、氧化皮、锈蚀、孔眼、划伤、焊瘤、焊渣等,使零件表面获得光亮平整的外观,为后续的化学抛光和电化学抛光做好准备。
2. 除油
具体如下:
a. 有机溶剂除油
有机溶剂除油就是利用机溶溶剂能溶解油脂的性质,把油污除去。只有表面沾污了用一般化学除油难以除去的,如黄油、凡士林、抛光膏结污等才采用有机溶剂除油。常用的有机除油剂有汽油、苯、三氯乙烯、四氯化碳、四氯乙烯、二甲苯、溶剂油、氟里昂113 和丙酮等。其缺点是:溶剂挥发后在零件表面上会留下一层极薄的油膜。所以有机溶剂除油只能作为预除油,随后还要进行化学除油。
b. 化学除油
化学除油就是利用碱性化学物质溶液除去不锈钢表面的油污,以达到清洁表面的目的。化学除油溶液中的碱性化学品有氢氧化钠、碳酸钠、磷酸三钠、硅酸钠及焦磷酸钠(Na.PO, ·2H2O)等。表面活性剂是强乳剂,能加速除油过程。常用的有下列几种:十二烷基硫酸钠、OP-10 乳化剂、TX-10(聚氧乙烯辛烷基酚醚)、6501 (十二烷基二元醇酰胺)等。其配方和工作条件见表10-20。
表10-2 不锈钢化学除油溶液的配方和工作条件
化学除油后,表面宜用60℃热水清洗,将皂化生成的肥皂,以及附着在表面的多余乳化剂和硅酸钠洗去,以免粘附于表面而不利于后续处理。并根据除油情况,更新重配除油溶液。
c. 电化学除油
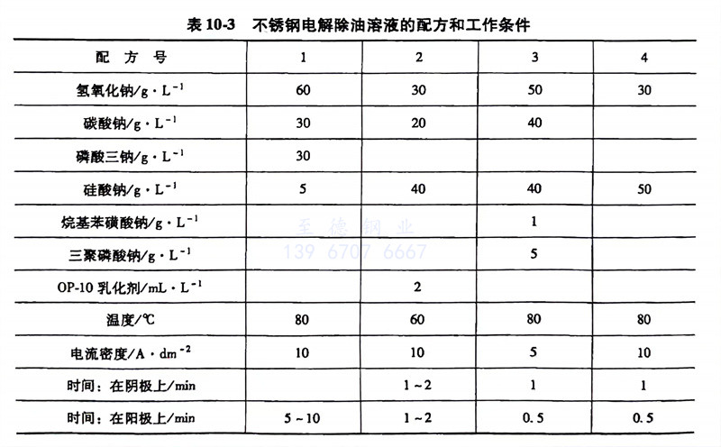
电化学除油又称电解除油,是在直流电的作用下,在碱性溶液中将不锈钢表面作为阴极或阳极进行电解,从而除去油污。不锈钢电解除油溶液的配方及工作条件见表10-3。
电解除油配方也可参照表10-2所示的化学除油配方。

电化学除油时,除了有机化学除油的皂化作用外,还在电流的作用下,使水分子分解,在工件表面析出气泡。随着气泡的增大,将油膜撕裂脱离表面呈小油滴状进入溶液中,产生的气体对溶液起搅拌作用,加速了除油的速度。电学除油所需电流一般为5~10A/dm²。
不锈钢零件表面处于阴极时,由于水的电解析出氢气,化学反应式如下:
析出的氢气泡体积小、数量多,擦刷作用大。
不锈钢零件表面处于阳极时,析出的是氧气,其化学反应式如下:

析出的氧气只有氢气体积的一半,除油效率不如阴极除油大。
除油时间分阴极时间和阳极时间。阴极时间长易除去油,但易渗氢,造成氢脆,而且易有金属杂质析出在工件表面,呈黑色沉淀,故一般易在1~2min内。阳极时间长,虽有除去表面在阴极时析出沉渣的作用,但同时有氧化作用,时间过长,特别是在氯离子存在的情况下易使表面发生点腐蚀,故一般阳极时间以0.5min 为宜。溶液中没有氯离子存在时,也可在专用阳极除油液中进行5~10min。
为了使不锈钢零件表面取得最佳除油效果,可采用阴极和阳极的联合除油,即采用表 10-3 中的阴、阳极除油时间。从而可以减轻不锈钢零件表面渗氢和氧化的作用。

3. 滚动光饰(滚光)
滚光有滚筒滚光、离心滚光、离心盘擦光和旋转光饰等,适用于小型不锈钢零件,兼有整平和除氧化皮的作用。
a. 滚筒滚光
滚筒滚光是将不锈钢零件放入盛有碱性除油液的滚筒中,利用滚筒的旋转,使零件相互摩擦,达到表面除油的作用。
如果要除去氧化皮,可在滚筒内加入酸类和非离子型表面活性剂,如OP-10,利用转动作用,既除油,又除氧化皮。
如果要提高不锈钢零件的表面光洁度,可在滚筒内的碱性溶液中加入磨料,利用转动中零件表面与磨料的接触摩擦,达到整平表面,使不锈钢零件表面达到光洁的目的。
滚光可以全部和部分替代磨光和抛光工作,它适用于大批量的小零件使用。但不适用于有外螺纹的和要求精密的高光洁度的零件抛光。
滚筒截面有圆形、六角形和八角形等形式。
b. 离心滚光
离心滚光是在一个转塔内的四周安放一些装有零件和磨料的转筒,转塔高速旋转,带动转筒以低转动的速度反方向旋转。转塔旋转产生的离心力使转筒中的装载物压在一起,转筒的旋转使磨料对零件产生滑动磨削,从而起到去除毛刺或光饰表面的作用。
离心滚光的效率高,只需一般滚光时间的1/50。并能保持不同批次加工的不锈钢零件的表面质量一致,使不锈钢零件具有高的尺寸精度和光饰质量。生产效率高,成本低。其缺点是:只能处理小零件,设备成本较高。
c. 离心盘擦光
离心盘擦光机的主要结构是圆柱形容器、碗形盘和驱动系统。在固定不动的圆柱筒下部,装有一个由驱动系统带动的能高速旋转的碗形盘,盘的线速度可达10m/s。零件和磨料放入筒内,工作时由于盘的高速旋转,使装载物沿筒壁向上运动,其后因零件的自重而从筒的中心滑落到离心盘中,这样反反复复进行,使装载物呈圆筒形运动,从而对不锈钢零件产生磨削光饰的作用。
d. 旋转光饰
旋转光饰是把不锈钢零件固定在一个转轴上,并浸入盛有磨料泥浆的旋转筒内。零件表面受到快速动泥浆的磨削作用而达到光饰加工的目的。
旋转光饰适合于精密而怕碰撞的零件(如齿轮、链轮、轴承等),可以去毛刺、倒圆角,获得精细的表面。但加工效率低,成本较高。
4. 喷砂
适用于大面积处理,兼有去污和除去氧化皮的作用。喷砂是用压缩空气将石英砂喷在不锈钢零件表面,对表面进行清理或修饰加工。喷砂分为干喷砂和湿喷砂。
喷砂主要是除去铸件、锻件或热处理后的不锈钢零件表面存在的型砂、氧化皮;除去不锈钢零件表面的锈蚀物、积炭、焊渣以及零件边缘上的毛刺、磨痕,提高不锈钢零件表面的粗糙度。

