采用混合气体作为保护气体,具有下列优点:
①. 可以提高熔滴过渡的稳定性。
②. 稳定阴极斑点,提高电弧燃烧的稳定性。
③. 增大电弧的热功率,改善焊缝熔深形状和表面形状,使焊缝能呈圆滑过渡,焊缝的余高适中。
混合活性气体是在氩气的基础上加体积分数为0.5%~1%的氧或加体积分数为1%~5%的二氧化碳作为保护气体。这时,焊接过程比较稳定,焊丝端部呈细熔滴过渡,焊缝成形有所改善。在生产上应用比较广泛的是在混合气体保护下的脉冲焊接工艺。奥氏体型不锈钢的熔化极气体保护一般采用细焊丝,焊丝熔化速度很快,电弧热量集中。为了保证焊缝外表和内在质量,用手工操作焊不太可能达到这一目的,广泛应用的还是机械操作脉冲熔化极气体保护焊。
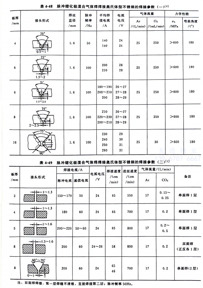
焊接电源一般采用平特性,为直流正接连接。采用脉冲焊时,脉冲电源为平特性,维弧电源用平特性或降特性,仍为直流正极性。用脉冲熔化极混合气体焊焊接奥氏体型不锈钢的焊接参数见表4-48、表4-49。

钨极和熔化极氩弧焊焊接奥氏体型不锈钢时,填充焊丝按表2-18、表2-19选择。

