00Cr12NiTi(3CR12)系南非在20世纪80年代初开发的牌号,除超低碳、氮外,还含有少量(0.5%~1.5%)镍和少量钛,由于此钢在适宜热处理态具有铁素体和超低碳马氏体的双相组织,因此,此钢除具有上述现代低铬铁素体不锈钢的性能外,还具有良好的强韧性,且成型性、焊接性和耐磨性优良,由于钛的加入,焊后也没有晶间腐蚀敏感性,此钢即使厚度达30mm,焊后在0℃以下仍
具有足够的韧性。在我国,此牌号已开始生产和使用,在欧、美诸国和地区也有类似牌号在大量生产和应用。
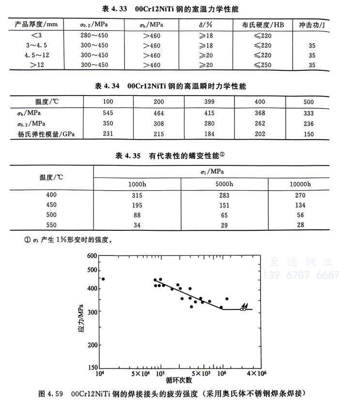
一、力学性能
00Cr12NiTi钢的各种力学性能见表4.33~表4.35和图4.59。
图4.59 00Cr12NiTi钢的焊接接头的疲劳强度(采用奥氏体不锈钢焊条焊接)

二、耐腐蚀和磨蚀性能
此钢的耐蚀性虽然低于含铬量高的一些牌号,例如430(1Cr17),但是其耐蚀性远高于低碳钢和耐蚀低合金钢,此钢主要用于不以表面美观为主要要求的弱腐蚀环境中。
1. 在大气中的耐蚀性
图4.60系在南非大气条件进行20年试验所取得的结果,从图4.60中的结果可以看出,00Cr12NiTi钢的耐蚀性比低碳钢和CORTENO(科尔坦合金)高几个数量级。但是,不推荐将00Cr12NiTi钢用于腐蚀环境中的装饰用途,因为00Cr12NiTi表面常会形成一层虽不影响结构稳定性的锈蚀影响美观。如果使用时美观很重要,当选用00Cr12NiTi钢时表面需加涂层。
图4.60 00Cr12NiTi钢经20年大气腐蚀试验后的耐蚀性并与其他材料进行对比的结果

2. 耐点蚀性
图4.61系00Cr12NiTi钢在不同氯化物含量条件下(+350mV,SCE)钢的临界点蚀温度;而图4.62则系在含 和 的水溶液中,所允许的最高氯离子含量。

3. 耐晶间腐蚀性
00Cr12NiTi经适宜焊接后,没有晶间腐蚀的敏感性。
4. 耐应力腐蚀性
在含硫化物环境中,00Cr12NiTi钢会产生应力腐蚀,故不推荐无涂层的00Cr12NiTi钢在这种用途中使用。
5. 耐磨蚀性
00Cr12NiTi钢的耐磨蚀性远远优于表面无涂层和有涂层的低碳钢和低合金钢。图4.63系耐磨试验结果,由于此钢耐湿态滑动磨损性优良,所以特别适用于矿石等的贮存、处理和运输等的设备。但此钢不适用于干磨损条件。
图4.63 00Cr12NiTi钢的耐磨性与低碳钢的对比结果

三、冷热加工和成型性能
00Cr12NiTi具有良好的冷、热加工和成型性。此钢有良好的冷成型性,但弯曲时回弹性较大,苛刻的冷成型过程中需中间退火。
四、焊接性
具有良好的焊接性,可采用通用的焊接方法(MMA/SMAW,MIG/GMAW,TIG/GAW,FCAW和PAW)进行焊接,且可与低碳钢和不锈钢进行焊接,建议采用AWS309C型焊条,00Cr12NiTi不锈钢同材焊接,可采用E308L和E316L焊接材料,热输入应控制在0.5~1.5kJ/mm之间,焊后需经酸洗钝化处理以去掉焊接接头表面的氧化皮和贫铬层。
00Cr12NiTi钢易于生产,且成本低廉,使用性能优良且使用工艺易于掌握。主要用于不锈、耐磨蚀等用途,代替有涂层和不加涂层的低碳钢和耐蚀低合金钢,且寿命周期成本较低。目前,此钢及相近牌号在英、美和韩国等国已广泛应用,我国也已在推广中,00Cr12NiTi钢是一种具有广阔发展前景的现代低铬不锈钢,表4.36列入了国外00Cr12NiTi钢的一些应用实例,供参考。


