发布日期:2024-03-24 00:51:55 人气:140
各国标准的不锈钢牌号都力求与国际上统一,以适应国际技术交流和国际贸易往来的需要,也都力求将最先进的、综合性能最好的牌号列入本国标准,以提高本国不锈钢的生产水平,满足各部门对不锈钢产品不断提高的要求。目前普遍被认为是先进水平的不锈钢材料标准包括美国ASTM、日本JIS、德国DIN、法国NF、英国BS和国际标准化组织ISO标准,其中美国ASTM标准的不锈钢牌号反映了世界不锈钢生产的先进水平。
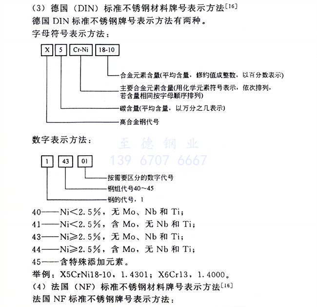
德国(DIN)标准不锈钢材料牌号表示方法