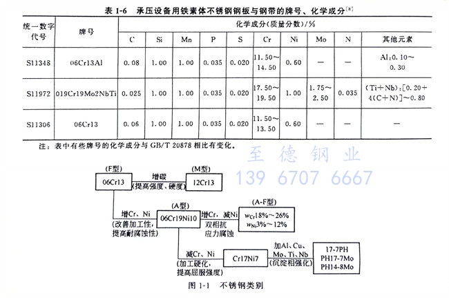
我国至少已制定了62项不锈钢管材料标准(其中国家标准38项,冶金行业标准16项,航空航天标准6项、机械行业标准1项、能源局标准1项),每个标准均规定了材料的化学成分、力学性能等技术要求。在机械工程上应用最多的不锈钢材料与标准包括GB/T3280-2007《不锈钢冷轧钢板和钢带》(该标准正在修订中)、GB/T 4237-2007《不锈钢热轧钢板和钢带》(不得用于锅炉压力容器制造,该标准正在修订中)和GB/T 4238-2007《耐热钢钢板和钢带》、GB 24511-2009《承压设备用不锈钢钢板及钢带》、NB/T 47010-2010(JB/T 4728)《承压设备用不锈钢和耐热钢锻件》,常见的不锈钢牌号、化学成分和类别,见表1-1~表1-6。
从表1-1~表1-6、表1-8可以看到,不锈钢和耐热钢相互之间的许多牌号的化学成分、力学性能等是相同的,这些牌号的材料既可作为不锈钢使用,也可作为耐热钢使用。
我国不锈钢钢板和耐热钢钢板的牌号与国外有关国家标准的对照见本章第1.5节。














