垫片(gasket)是两个物体之间的机械密封,通常以防止两个物体之间受到压力、腐蚀、和管路自然地热胀冷缩泄漏。由于机械加工表面不可能完美,使用垫片即可填补不规则性。
一、按垫片材质分类
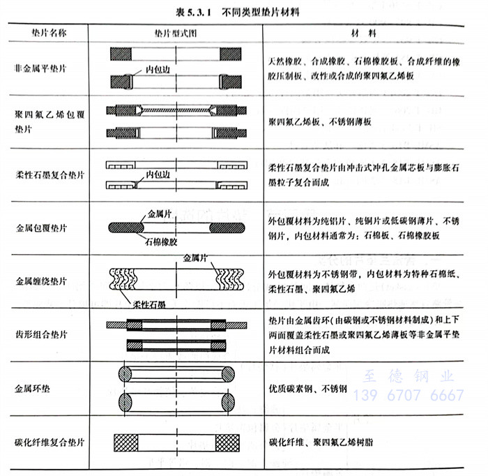
不同类型垫片材料见表5.3.1。

1. 非金属垫片(non-metallic gasket),有石棉橡胶垫片、橡胶垫片、聚四氟乙烯垫片、合成橡胶垫片、膨胀石墨、皮革等。非金属包覆垫片(non-metallic jacket gasket)外包一层合成树脂等。
2. 半金属垫片(semimetallic gasket)用金属和非金属材料制成的垫片,如缠绕式垫片、金属包覆垫片。
①. 缠绕式垫片(spiral wound gasket)由V形或W形断面的金属带夹非金属带,金属带与非金属带螺旋缠绕成环形垫片。金属带与非金属带交替缠绕,由于其具有较好的弹性,广泛用于石化、化工、电力等行业的法兰密封结构中,根据具体部位,可在垫片的内层或外层加上钢环来定位或加强。内环(inner ring)是设置在缠绕式垫片内圈的金属环。外环(outerring)是设置在缠绕式垫片外圈的金属环。
②. 金属包覆。
3. 金属垫片(metallic gasket)是用钢、铝、铜、镍或蒙乃尔合金等金属制成的垫片。

二、按垫片形状分类
按垫片形状分类可分为: 环状平垫片、复合型垫片、波纹型垫片、环状垫片
不同形状垫片如图 5.3.1所示。


