①. 再沸器的位置和安装高度应满足工艺要求。
②. 明火加热的再沸器与塔和其他设备的防火间距应符合防火规范要求。
③. 用蒸汽或热载体加热的卧式再沸器应靠近塔布置,二者之间的距离应满足管道布置的要求,再沸器的一端应有管束抽出的空间。
④. 立式再沸器可利用塔体支撑,并布置在塔侧,与塔的高差应满足工艺的要求,其上方和下方应有检修的空间。也可布置在框架上。见图7.31(a)、(b)。再沸器的布置需考虑抽芯空间,如图7.31(c)、(d)所示。

⑤. 一座塔需要多台并联的立式再沸器时,再沸器的位置和安装高度,除保证工艺要求外,尚应满足管道布置的要求,并便于操作和检修。
⑥. 釜式再沸器的配管设计图完成后,要由工艺设计人校对配管的压力损失及再次确认塔与再沸器的相对高度。
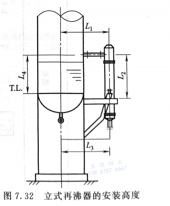
⑦. 立式再沸器的安装高度(图7.32)
a.立式再沸器的安装高度需满足工艺专业条件。
b.为了尽量减少压降和有效利用空间,再沸器的汽相出口管口与塔的入口管口基本上直接相连来。由于再沸器的支撑方法会产生较大的热应力,可以采取以下减少热应力的措施:采用在L2与L4之间尽量不产生膨胀差的支撑立式再沸器的方法;由于L3的伸长而影响再沸器出口管口及塔的入口管口,可将再沸器的安装螺栓孔做成长圆孔来减少影响;由于L1、L3间的膨胀差,在底部采用弯曲管道减少热应力。


