一、泵的布置方式和要求
①. 露天布置。
泵布置在管廊下或管廊与塔、容器之间,平行于管廊排成一列。在管廊下布置泵时,一般是泵-原动机的长轴与管廊成直角,当泵-电机长轴过长妨碍通道时,可转90°,即与管廊平行。泵也可分散布置在被抽吸设备的附近。其优点是通风良好,操作和检修方便。
a. 在国内露天布置的泵,一般都布置在管廊下,无论管廊上方是否布置空冷器。在6m一跨之内可布置大型泵1台、中型泵2台、小型泵3台,一般泵单排布置,泵端第一个管口或出口中心线对齐,距管廊柱中心线的间距在0.6~2.0m之间。
b. 在国外露天布置的泵,在管廊上方无空冷器时,泵布置在管廊内侧,泵出口中心线对齐,距管廊柱中心线0.6m。在管廊上方有空冷器时,如泵的操作温度为340℃以下,则泵布置在管廊外侧,泵出口中心线对齐,伸出管廊距柱中心线0.6m,泵的驱动机在管廊内侧;如泵的操作温度等于或高于340℃时,则泵布置在管廊外侧,泵出口中心线对齐,距管廊柱中心线3m,泵的驱动机也在管廊外侧。
②. 半露天布置。
半露天布置的泵适用于多雨地区,一般在管廊下方布置泵,在上方管道上部设顶棚,或将泵布置在框架的下层地面上,以框架平台作为顶棚。这些泵可根据与泵有关的设备布置要求,将泵布置成单排、双排或多排。
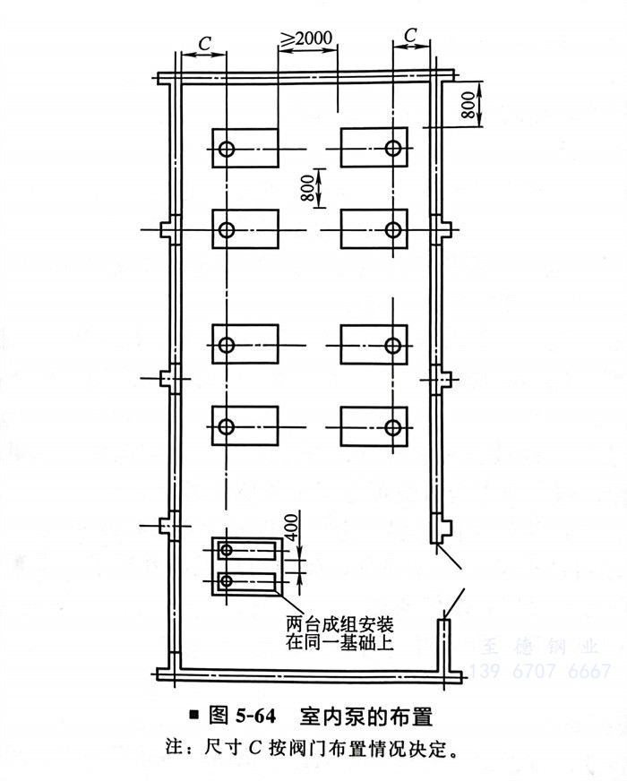
③. 室内布置。
在寒冷或多风沙地区,泵布置在室内。如果工艺过程要求设备布置在室内时,其所需的泵也应在室内布置。
a. 泵布置在室内时,热油泵(操作温度等于或高于自燃点的可燃液体泵)与冷油泵(操作温度低于自燃点的甲B、乙A类可燃液体泵)或液态烃泵应分别布置在各自的房间内。各泵房中间应采用防火墙隔开。门窗的距离不应小于4.5m。如果泵的数量较少,热油泵可以与冷油泵同房布置,但冷、热油泵之间应有不小于4.5m的间距。
b. 甲、乙A类液体泵房的地面不应有地坑或地沟,为防止油气积聚,宜在侧墙下部采取通风措施。
④. 单排布置的泵。
大小不一的泵成排布置时,一般有三种排列方式。
a. 泵端第一个管口或出口中心线取齐。离心泵并列布置时,泵端第一个管口或出口中心线对齐,这样布置管道比较整齐,泵前也有了方便统一的操作面。
b. 泵端基础面取齐,便于设置排污管或排污沟以及基础施工方便。
c. 动力端基础面取齐。如泵用电机带动时,引向电机的电缆接线容易且经济;泵的开关和电流盘在一条线上取齐,不仅排列整齐,且电机端容易操作。但是泵的大小差别很大时可能造成吸入管过长。
⑤. 双排布置的泵。
泵成双排布置时,宜将两排泵的动力端相对,在中间留出检修通道。
⑥. 多排布置的泵。
泵成多排布置时,宜两排泵的动力端相对,两排中的一排与另两排中的一排出口端相对,中间留出检修和操作通道。
⑦. 蒸汽往复泵的动力侧和泵侧应留有抽出活塞和拉杆的位置。
⑧. 立式泵布置在管廊下方或框架下方时,其上方应留出泵体安装和检修所需的空间。
二、泵的间距
①. 按SH/T3011规定,两台泵之间的净距,不宜小于0.7m(HG 20546规定,最小净距为0.8m,需根据项目实际情况选择),但安装在联合基础上的泵除外。
②. 泵布置在管廊下方或外侧时,泵的检修空间净空不宜小于3m。泵端前面的操作通道宽度不应小于1m。对于多级泵泵端前面的检修通道宽度不应小于1.8m,一般泵端前面的检修通道宽度不应小于1.25m,以便小型叉车通过。
③. 泵布置在室内时,一般不考虑机动检修车辆的通行要求。泵端或泵侧与墙之间的净距不宜小于1.0m,两排泵净距不应小于2m。
④. 泵进、出口阀门手轮到邻近泵的最突出部分或柱子的净距最少为0.75m,电机之间的距离为1.5~2m。
泵的间距如图5-60所示。

三、泵的基础
①. 泵的基础尺寸一般由泵制造厂给出泵的底座尺寸的大小确定。可按地脚螺栓中心线到基础边200~250mm估计。设计泵的基础时应按预留孔方案考虑,现场施工需待泵到货后核实尺寸后方可施工。
②. 泵的基础面宜比地面高出200mm,大型泵可高出100mm,小型泵如比例泵、柱塞泵、小齿轮泵等可高出地面300~500mm,使泵轴中心线高出地面600mm,并可2~3台成组安装在同一个基础上。
四、泵布置的工程实例
工程实例一
管廊上安装空冷器时泵的布置(图5-61)



注:1. 管廊上安装空冷器,泵的操作温度在340℃以下时,泵出口中心线在管廊柱中心线外侧600mm;在340℃及以上时,则在外侧3000mm。
2. 泵前方的操作检修通道,可能有小型叉车通行,其宽度不小于1250mm,在多级泵前方的宽度不小于1800mm。
3. 两排泵之间的检修通道,宽度不小于3000mm,如不够时,泵端应有3000mm通道。

