本篇重点介绍国际标准化组织(ISO)及美国机械工程师协会(ASME)发布的有代表性的管件标准。这些管件标准包括:ISO发布的非合金钢及合金钢对焊管件、不锈钢对焊管件及不锈钢螺纹管件3个国际标准;ASME发布的灰铸铁螺纹管件、可锻铸铁螺纹管件、承插焊和螺纹连接锻钢制管件、工厂制造的锻钢对焊管件及锻钢制对焊小弯曲半径弯头和180°弯头等5个标准。
这些国外(含国际)典型管件标准的推荐,对我国石油、化工、石油化工等领域的引进装置,具有选用价值。
ISO(国际标准化组织)制定并实施的比较典型的管件标准有对焊管件及螺纹连接管件两类。对焊管件标准侧重于介绍非合金钢、合金钢以及不锈钢对焊管件;螺纹连接管件标准侧重于介绍不锈钢螺纹管件。非合金钢和合金钢对焊管件(ISO 3419:1981)及不锈钢对焊管件(ISO 5251:1981)是ISO早期制定的标准,目前仍然在使用。不锈钢螺纹管件(ISO 4144:2003)则是ISO近期制定的标准。
不锈钢螺纹管件 ISO 4144:2003 标准
1. 适用范围
ISO 4144:2003标准规定了螺纹连接不锈钢管件的型式、压力-温度等级、最小尺寸和材料。管件的螺纹符合ISO 7-1《用螺纹密封的管螺纹 第1部分:尺寸、公差和标记》;管件适用于一般以蒸汽、空气、煤气、水及油为介质的管道。
2. 管件型式及其符号
管件的型式及其符号见表19-19。


3. 压力-温度等级
压力-温度等级见表19-20。

4. 制造和材料
管件应采用铸造、轧制、锻造等方法制造。材料应为奥氏体不锈钢,其屈服极限至少等于ISO 2604-2中所规定的钢号为TS47的屈服极限。制造管件的材料应严格经过ISO 4991:1994《压力用途的铸钢件》5.2条表1所规定的固溶化退火热处理。
5. 螺纹
a. 螺纹的选择
管件的螺纹应符合ISO7-1的规定。外螺纹及内螺纹锥度为1:16,但内螺纹可以为直螺纹。
例外情况:活接头螺母及其配合螺纹应符合ISO 68-1、ISO 228-1、ISO 261、ISO 262或ISO 724-的规定。
b. 倒角
螺纹端部应进行倒角。
6. 结构型式与尺寸
a. 总则
管件尺寸在图19-14~图19-27中及表19-21~表19-34中规定。未规定的尺寸由制造厂自行处理。
管件接口型式见图19-14,尺寸见表19-21。
弯头 E1、三通 T1 及四通 X1 型式见图19-15,尺寸见表19-22。


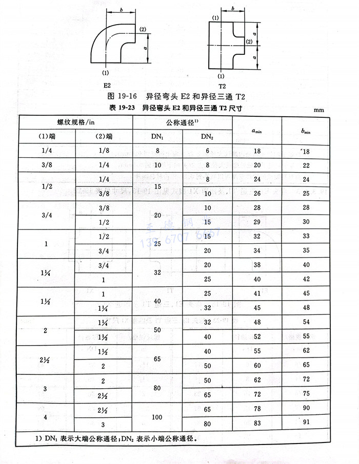
异径弯头 E2 和 异径三通 T2 型式见图19-16,尺寸见表19-23。

45°弯头 E3 型式见图19-17,尺寸见表19-24。
外螺纹与内螺纹弯头 E4 型式见图19-18,尺寸见表19-25。

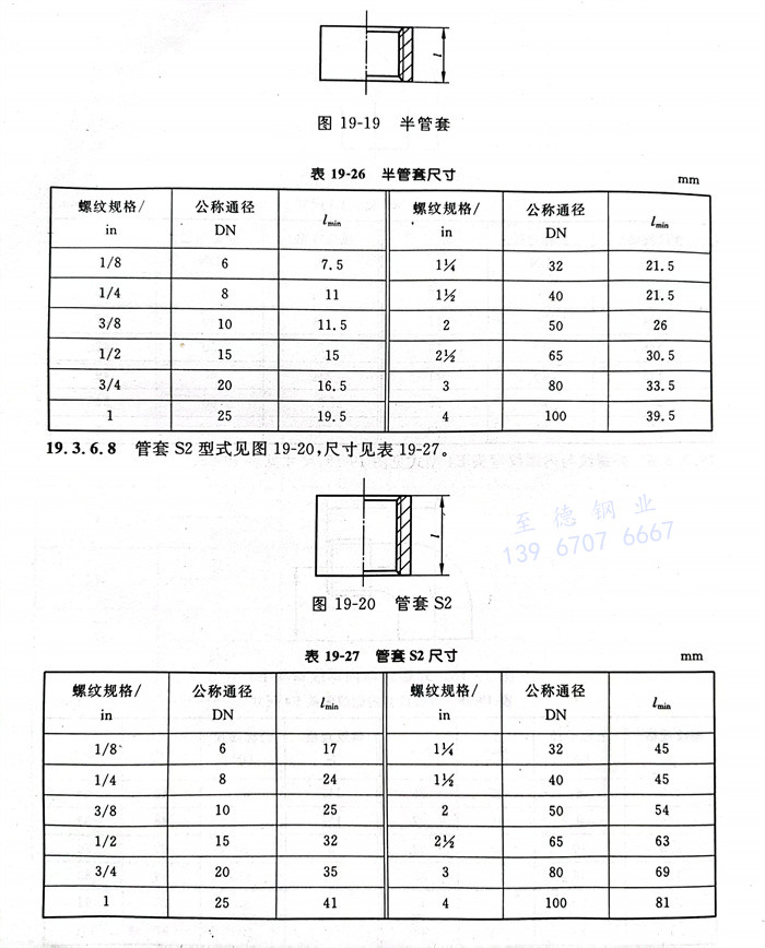
半管套S1 型式见图19-19,尺寸见表19-26。
管套S2 型式见图19-20,尺寸见表19-27。

异径管套S3 型式见图19-21,尺寸见表19-28。

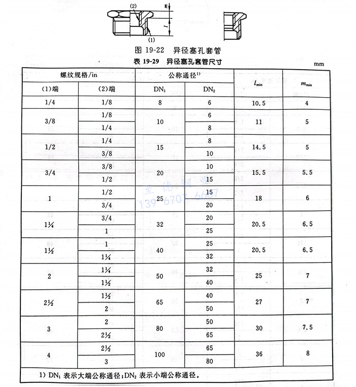
异径塞孔管套B1
异径塞孔管套可以有六角形、八角形、十角形等种类。规格在1/2以下的只有六角形1种;规格为3/4~2的有六角形或八角形2种;规格为22~4的有六角形、八角形或十角形3种。异径塞孔管套B1型式见图19-22,尺寸见表19-29。

六角头螺纹接套N1
六角头螺纹接套可以有六角形、八角形、十角形等种类。规格在1/2以下的只有六角形1种;规格为3/4~2的有六角形或八角形2种;规格为2/2~4的有六角形、八角形或十角形3种,六角形螺纹接套型式 N1 见图19-23,尺寸见表19-30。

异径螺纹接套
异径螺纹接套可以有六角形、八角形、十角形等种类。规格在1/2以下的只有六角形1种;规格为3/4~2的有六角形或八角形2种;规格为2/2~4的有六角形、八角形或十角形3种。异径螺纹接套N2型式见图19-24,尺寸见表19-31。



管帽C1
管帽由制造厂随意选择,可以为六角形、八角形或十角形。管帽C1型式见图19-25,尺寸见表19-32。
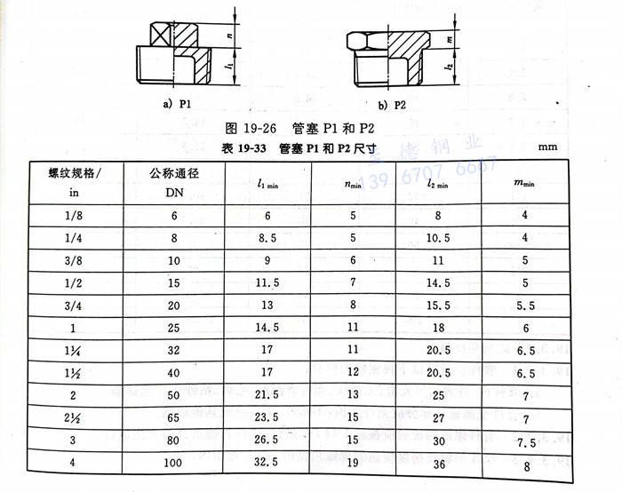
管塞P1和P2
管塞由制造厂随意选择,可以为实心的或空心的。管塞P2可以为六角头形、八角头形、十角头形等种类。规格在1/2以下的只有六角形1种;规格为3/4~2的有六角形或八角形2种;规格为2%~4的有六角形、八角形或十角形3种。管塞P1和P2的型式见图19-26,尺寸见表19-33。

平座U1、U2和U3活接头及锥座U4、U5和U6 活接头
平座U1、U2和U3活接头及锥座U4、U5和U6活接头型式见图19-27,尺寸见表19-34。

7. 试验和检验
a. 管件应进行以下视觉性的检验:
管件内、外表面要光滑、无裂纹、无有害刮痕、毛刺、粘砂或其他缺陷。
管件全部螺纹部分应完好无损,不稀疏、无裂纹或其他缺陷。
b. 管件螺纹的检验应按照ISO 7-2进行,或按其他适合的方法进行。
c. 螺纹的轴线精度应达到规定角度的士0.5°范围内。
d. 当检验生产的管件时,应对每一个管件进行下述试验以保证管件不产生泄漏。为了试验管件,螺纹端要密封。当加压使管件内部的压力达到6bar的空气压力后,在保持此压力的同时,按表19-35所规定的最小试验持续时间,观察管件有无泄漏现象。

e. 水压试验可以在30 bar压力下进行,以代替空气压力试验。试验方法和试验持续时间按19.3.7.4条规定。
f. 由诸如锻件、轧制棒料或挤压管材等材料制成的管件,则不需要做泄漏检验。
g. 管件应能够通过晶间腐蚀试验并合格,晶间腐蚀试验按ISO 4990《铸钢件交货的一般技术要求》中的B.9.1条进行。当做腐蚀试验时,应对每一热处理装炉量的一根管件做试验。
8. 印记
管件应以商标、材料代号或缩写以及螺纹标记做印记。但是,当容纳标志的位置不够时,标志可以省略。
9. 标记
①. 标记内容
符合 ISO 4144:2003(E)的管件,应按以下内容依次进行标记:
a. 管件型式;
b. 标准编号ISO 4144;
c. 螺纹规格标记;
d. 符号(见表19-19);
e. 材料。
②. 标记示例
具有材料牌号为TS47钢、内圆锥螺纹为Rc2的等径内螺纹弯头E1的标记为: 弯头 ISO 4144-Rc2E1 TS47
具有材料牌号为TS61钢、内圆锥螺纹为Rc2、支管为1%的主管异径三通T2的标记为: 异径三通 ISO 4144-Rc2 × 1/4 T2 TS61

