ISO(国际标准化组织)制定并实施的比较典型的管件标准有对焊管件及螺纹连接管件两类。对焊管件标准侧重于介绍非合金钢、合金钢以及不锈钢对焊管件;螺纹连接管件标准侧重于介绍不锈钢螺纹管件。非合金钢和合金钢对焊管件(ISO 3419:1981)及不锈钢对焊管件(ISO 5251:1981)是ISO早期制定的标准,目前仍然在使用。不锈钢螺纹管件(ISO 4144:2003)则是ISO近期制定的标准。
不锈钢对焊管件 ISO 5251
1. 适用范围
ISO 5251:1981 标准规定了用于管道工程质量要求的对焊弯头[具有或没有直管端的3D型(90°和180°和5D型(90°)]、同心和偏心异径接头、三通及管帽的尺寸、公差以及管件用一般用途的不锈钢钢号。
2. 符号含意
DN--公称通径(见ISO 6708);
D-大外径;
D1-小外径;
d--大内径;
d1-小内径;
T-接近D处的壁厚;
T1-接近D1处的壁厚;
C--180°弯头中心线直径;
B--180°弯头自背面至端面或至直管端部开始处的尺寸;
F--90°弯头自中心线至端面或至直管端部开始处的尺寸以及等径和异径三通自中心线至端面d的尺寸;
H--异径三通自中心线至端面d1的尺寸;
K--管帽总高度;
L--异径接头总长度及弯头直管端的长度;
R、R1-异径接头曲率半径;
Q--角直线偏差;
P--垂直线偏差。
3. 材料
a. 所使用的钢号按以下规定:
TS46、TS47、TS57、TS58、TS60、TS61 (ISO 2604-2);
P46、P47、P61 (ISO 2604-4);
TW46、TW47、TW58、TW61 (ISO 2604-5)。
b. 经供需双方协议可提供ISO 2604-2、ISO 2604-4和ISO 2604-5中所规定的其他钢号。
c. 管件应由以下材料制造:
①. 无缝钢管;
②. 焊接钢管或焊接板材。焊缝应预先经供需双方协议的无损检验方法检验。
d. 根据供需双方协议,应进行晶间腐蚀试验。例如,按照ISO 3651-2进行试验。
4. 结构型式与尺寸
3D弯头包括不带直管端和带直管端的两种。不带直管端的3D弯头型式见图19-7,尺寸见表19-10;带直管端的3D弯头型式见图19-8,尺寸见表19-11。
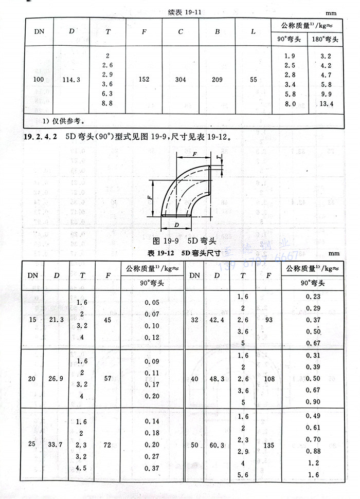
5D弯头(90°)型式见图19-9,尺寸见表19-12。






同心和偏心异径接头型式见图19-10,尺寸见表19-13。
推荐半径: 同心异径接头:R≥0.4D R1≥0.4D1 , 偏心异径接头:R≥0.3D , R1≥0.3D1 。








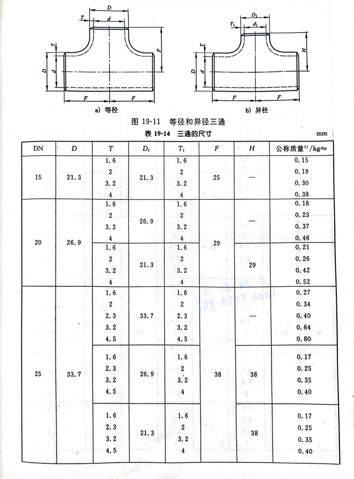
等径和异径三通型式见图19-11,尺寸见表19-14。









管帽型式见图19-12,尺寸见表19-15。


5. 公差
a. 尺寸偏差
管件尺寸偏差见表 19-16

b. 直线性偏差
管件直线性偏差见表 19-17

c. 坡口偏差
管件焊端应切成直角。对于超过 3.6mm 的壁厚,其端部应加工成坡口。端部形状和尺寸见表 19-18。


6. 热处理
热处理应按生产厂和采购方之间的协议进行,例如,根据ISO 2604-2《压力用钢质量要求 第2部分:轧制无缝钢管》或ISO 2604-5《压力用钢质量要求 第5部分:纵向焊接的奥氏体不锈钢管》。
7. 试验
通常,对于按本标准条件生产的管件,不要求验收试验。
8. 检验合格证
a. 当用户要求时,生产厂应提供表明所提供的管件符合本标准的检验合格证。
b. 本检验合格证应符合ISO 404《钢和钢材一般交货技术条件》中的5.2.1和5.2.2条的要求。
9. 标记和印记
a. 标记
管件应按型式(即弯头、异径接头、管帽、三通)、角度(对弯头而言)、外径、壁厚、钢号和本标准编号来进行标记。例如:
对焊弯头3D-90-60.3×2.9-TS47 ISO 5251
b. 印记
所有管件均应打上明显而持久的印记。印记内容如下:
a. 商标或名称;
b. 外径和壁厚;
c. 钢号;
d. 本标准编号。

