衬塑钢管和管件是在钢管和管件内部衬以聚丙烯(PP)、聚乙烯(PE)及聚氯乙烯(PVC)等非金属材料,以适应化工、石油化工,医药、纺织和冶金等部门输送腐蚀性介质的需要。这种衬塑钢管和管件的公称压力为PN20,相当于2.0 MPa。
1. 衬塑直管
a. 管端用螺纹法兰连接的衬塑钢管型式见图18-1,尺寸见表18-2。
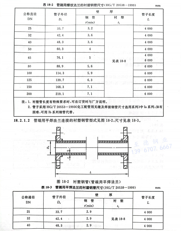
b. 管端用平法兰连接的衬塑钢管型式见图18-2,尺寸见表18-3。



2. 衬塑管件
a. 衬塑钢制弯头
衬塑钢制弯头型式见图18-3,尺寸见表18-4。
b. 衬塑钢制三通、异径管
衬塑钢制三通、异径管型式见图18-4,尺寸见表18-5。
c. 衬塑铸钢弯头
衬塑铸钢弯头型式见图18-5,尺寸见表18-6。
d. 衬塑钢制三通、异径管
衬塑铸钢三通、异径管型式见图18-6,尺寸见表18-7。







e. 衬塑层
衬塑层厚度尺寸见表 18-8

3. 衬塑管端部连接法兰
根据衬塑工艺的不同,对于DN≤200mm衬塑管端部,可采用突面带颈螺纹法兰连接,其公称压力PN为1.0MPa及2.0MPa两级。
PN1.0MPa突面带颈螺纹钢制管法兰型式见图18-7,尺寸见表18-9。
PN2.0MPa突面带颈螺纹钢制管法兰型式见图18-7,尺寸见表18-10。


4. 公差
衬塑管及管件主要尺寸偏差见图 18-8 及表 18-11。



