化工钢制有缝对焊管件是用碳钢、低合金钢和奥氏体不锈钢钢板制造的具有纵向焊缝的管件,其品种包括三通(等径和异径)、弯头(短半径90°和长半径90°、45°)、异径管或异径接头(同心和偏心)三种,与接管连接的方式为对焊连接,端部外径分为Ⅰ系列和Ⅱ系列,是专供化工行业大型管道使用的一种管件。
1. 结构型式与尺寸
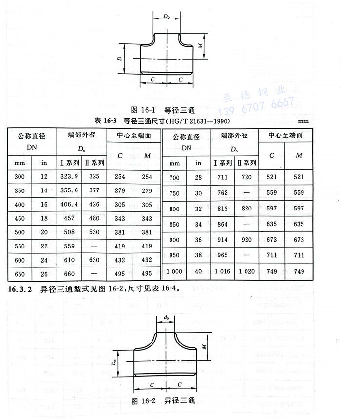
a. 等径三通型式见图 16-1 ,尺寸见表 16-3 。
b. 异径三通型式见图 16-2 ,尺寸见表 16-4 。



c. 弯头型式见图 16-3,尺寸见表 16-5 。

d. 异径管型式见图 16-4 ,尺寸见表 16-6 。


2. 公差
成型管件的主要尺寸偏差见图 16-5 及表 16-7。


