化工钢制无缝不锈钢对焊管件结构型式与尺寸见下表
一、管件
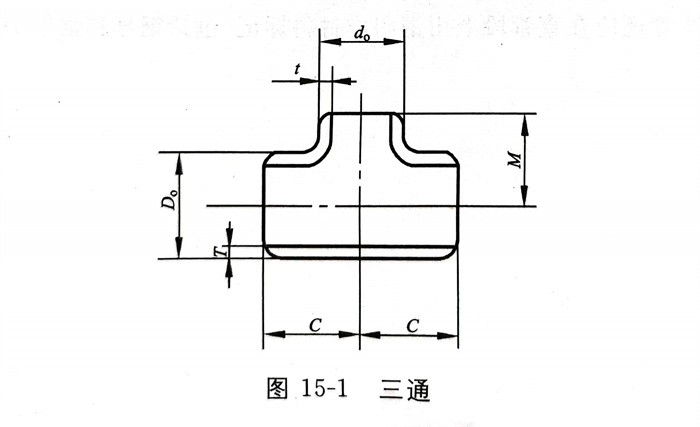
1. 三通
三通型式见图15-1,公制三通尺寸见表15-1;英制三通尺寸见表15-2。
a. 短半径弯头
短半径弯头型式见图15-2,公制三通尺寸见表15-3;英制三通尺寸见表15-4。
b. 长半径弯头
长半径弯头型式见图15-3,公制三通尺寸见表15-5;英制三通尺寸见表15-6。










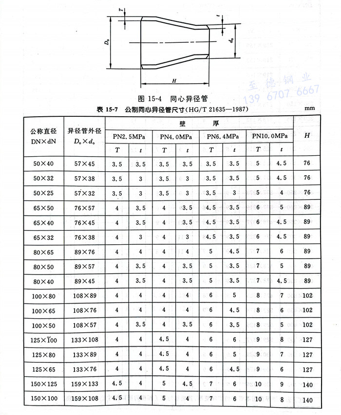
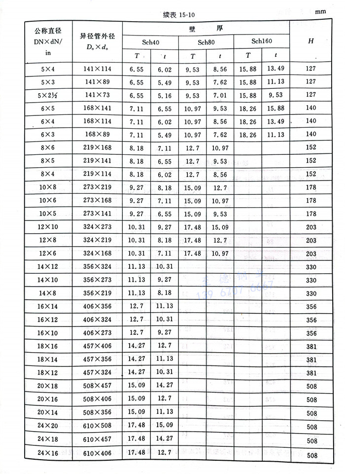
3. 同心异径管
同心异径管型式见图15-4,公制三通尺寸见表15-7;英制三通尺寸见表15-8。




4. 偏心异径管
偏心异径管型式见图15-5,公制三通尺寸见表15-9;英制三通尺寸见表15-10。




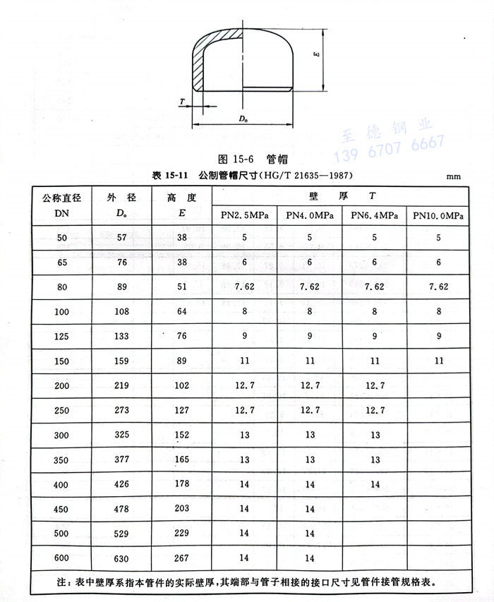
二、管帽
管帽型式见图15-6,公制三通尺寸见表15-11;英制三通尺寸见表15-12。



三、管件接管规格尺寸
公制管件接管规格尺寸见表 15-13
英制管件接管规格尺寸见表 15-14
四、公差
成型管件主要尺寸偏差见图 15-7 及表 15-15.


