发布日期:2023-03-31 11:56:05 人气:377
引进型600MW 机组及300MW 机组用管件包括火电厂锻制、焊制三通及热压三通两种尺寸。
a. 引进型600MW机组锻制、焊制三通结构型式见图13-5,尺寸见表13-10;引进型300MW 机组锻制、焊制三通结构型式见图13-5,尺寸见表13-11;
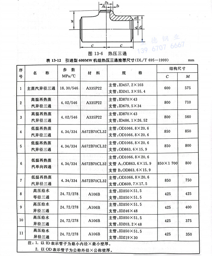
b. 引进型600MW 机组热压三通结构型式见图13-6,尺寸见表13-12;引进型300MW机组热压三通结构型式见图13-6,尺寸见表13-13。