新中国成立后,我国不锈钢焊管工业才有了新生。为了尽快发展我国焊管工业体系,“一五期间”,国家先后从德国和苏联引进了三套直缝不锈钢焊管机组和一套螺旋焊管机组,分别建设在北京、上海、天津和宝鸡。这些机组的建设投产,拉开了我国焊管工业发展的序幕。
1. 我国不锈钢焊管生产线产能情况
据不完全统计我国现有不锈钢焊管生产线约3000条(仅含个别典型不锈钢钢管生产线),详见表7-1,总产能约有7000万吨,详见表7-2。直缝埋弧焊接钢管生产线36条(包括UOE、JCOE、JCO),产能约723万吨;Φ426mm、方400mm×400mm及以上大口径高频直缝不锈钢焊管(ERW/HFW)生产线32条,产能约691万吨;ф219~406mm 高频直缝焊接钢管(ERW/HFW)生产线约80条,产能约1000万吨;φ102~180mm 高频直缝焊接钢管(ERW/HFW)生产线约420条,产能约2000万吨;小于φ89mm高频直缝焊接钢管(ERW/HFW)生产线约2000多条,产能约1600万吨;螺旋埋弧焊接钢管生产线约400条(含预精焊生产线9条),产能约1000万吨。


2. 我国不锈钢焊管生产线产能按区域分布情况
根据估算统计,我国焊管生产线约3000条,其中华北地区焊管生产线约1550条,产能约2878万吨,占比约60%;华东地区焊管生产线约570条,产能约910万吨,占比19%,两个地区合起来约占焊管总产能的79%。上述两个区域生产线较高的原因,一是天津的大邱庄,历史上就是我国北方地区焊管的发源地,现在是我国焊管最大的生产基地;二是河北的沧州地区,不仅焊管生产线数量多而且管件(弯头、三通、法兰等)也是我国最大的制造基地;三是霸州胜芳镇,是北方小口径焊管和方矩形管生产的集聚地;四是无锡钱桥镇也是小口径焊管和方矩形管生产线集中地区。

3. 我国主要不锈钢焊管生产线和产能分布情况
a. 直缝埋弧不锈钢焊管生产线和产能分布情况如表
我国直缝埋弧焊接钢管生产线共有36条,产能合计723万吨,生产线主要分布在华东和华北地区,上述两个地区产能分别为378万吨和195万吨,占我国直缝埋弧焊接钢管产能的52.0%和27.0%。


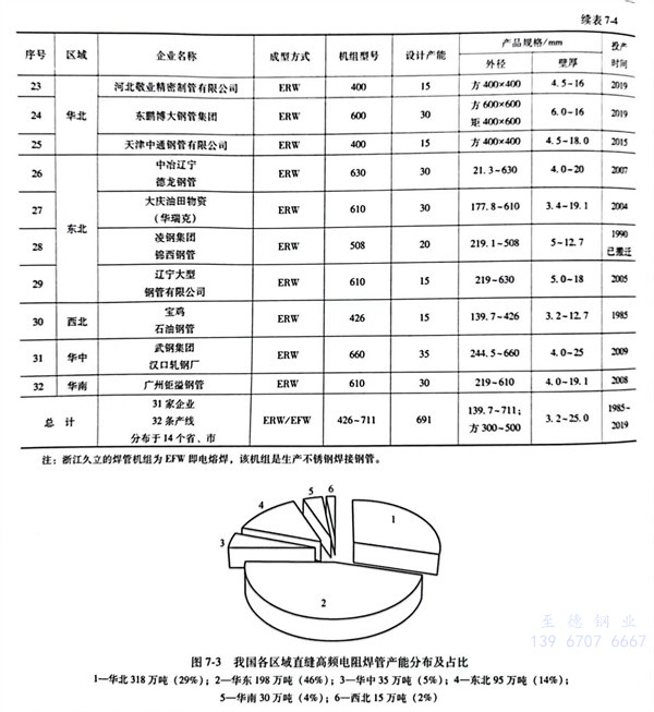
b. Φ426mm及以上大口径直缝高频电阻焊管生产线和产能分布如表7-4所示。


我国(Φ426mm及以上)ERW/HFW直缝高频电阻焊管生产线总计32条,产能691万吨,生产线主要分布在华东和华北地区。其中华东地区有11条,产能198万吨,占比28.7%;华北地区有14条,产能318万吨,占比46%。这两个地区合计产能516万吨,占比74.7%。而我国西南地区该类生产线处于空白。



