发布日期:2023-03-04 17:24:55 人气:480
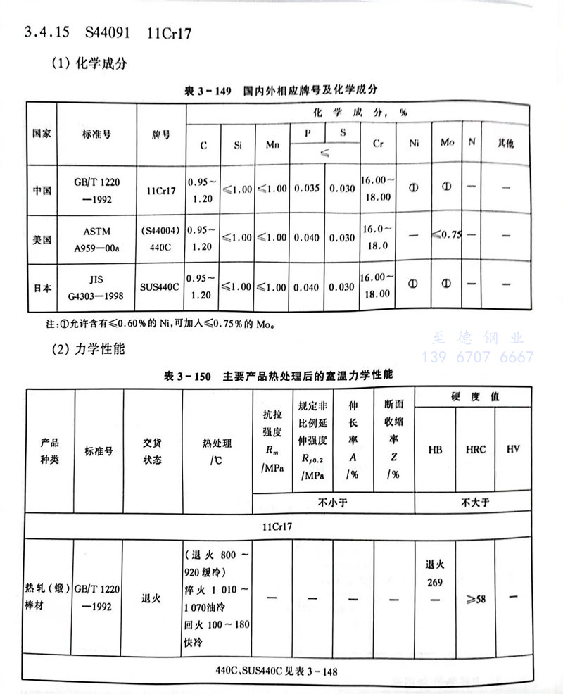
S44091 11Cr17 不锈钢主要特性和用途
碳含量高(0.95%~1.20%),是目前所有不锈钢和耐热钢中最硬的钢号,淬火并回火后的HRC≥58。
用于制造喷嘴、轴承等。