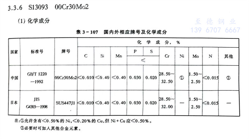
S13093 00Cr30Mo2 不锈钢主要特性和用途
高纯铁素体型不锈钢,由于铬和钼含量高,而碳和氮的含量又降至极低,从而提高钢的耐蚀能力,特别是耐应力腐蚀和耐点腐蚀能力,并具有软磁性。同时,钢的脆性转变温度降低,韧性提高。
用于制造与醋酸、乳酸等有机酸有关的设备,生产苛性碱设备,以及在要求耐卤素离子应力腐蚀和耐点腐蚀条件下工作的设备和构件,还可制造防止公害的机器。



发布日期:2023-02-05 11:44:48 人气:298
S13093 00Cr30Mo2 不锈钢主要特性和用途
高纯铁素体型不锈钢,由于铬和钼含量高,而碳和氮的含量又降至极低,从而提高钢的耐蚀能力,特别是耐应力腐蚀和耐点腐蚀能力,并具有软磁性。同时,钢的脆性转变温度降低,韧性提高。
用于制造与醋酸、乳酸等有机酸有关的设备,生产苛性碱设备,以及在要求耐卤素离子应力腐蚀和耐点腐蚀条件下工作的设备和构件,还可制造防止公害的机器。


