管件(按计算其压力额定值的基准管子)分为Sch80和Sch160两个等级。根据配接管子外径的不同选择,管件承口内径尺寸(d1)和流通孔直径尺寸(d2)分别规定了A、B两个系列,推荐优先选用A系列。
同一管件的各承口处尺寸应同为A系列或B系列。但在供需双方协商同意的条件下,允许一个管件同时含有两个系列的承口尺寸,并应做专门的标记。
在不违背GB/T 14383-1993《锻钢制承插焊管件》标准的有关尺寸规定时,经供需双方协商同意,B系列管件的外形尺寸允许采用相同通径和等级的A系列管件的外形尺寸。
管件承口处的结构见图10-1,尺寸见表10-2。


45°弯头和90吨弯头、三通和四通型式见图 10-2 ,尺寸见表 10-3。

45°斜三通、双承口管箍、单承口管箍和管帽型式见图 10-3 ,尺寸见表 10-4。

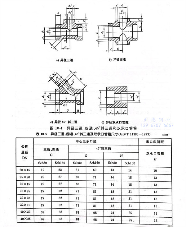
异径三通、四通、45°斜三通和双承口管箍型式见图 10-4,尺寸见表 10-5 。


管件尺寸公差的极限偏差见表 10-6。


