可锻铸铁是将白口铸铁坯件通过石墨化或氧化脱碳热处理,改变其金相组织或成分,而获得具有较高韧性的一种铸铁件。与灰铸铁管件相比,可锻铸铁管件的优点是具有韧性,其屈服强度与钢近似。
可锻铸铁管件与管子的连接为螺纹连接,通常适用于公称通径为6~150 mm(即DN6~DN150),输送水、油、空气、煤气、蒸汽用的一般管路连接上。
1. 弯头、三通和四通
弯头、三通和四通型式见图 7-1 ,尺寸见表 7-2 。


2. 异径弯头
异径弯头型式见图 7-2,尺寸见表 7-3。

3. 45°弯头
45°弯头型式见图 7-3 ,尺寸见表 7-4 。

4. 中大、中小异径三通
中大、中小异径三通型式见图 7-4 ,尺寸见表 7-5 。



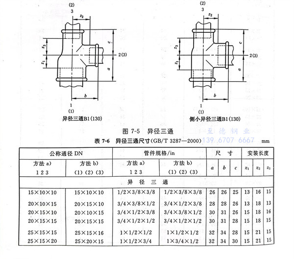
5. 异径三通
异径三通型式见图 7-5 ,尺寸见表 7-6 。

6. 异径四通
异径四通型式见图 7-6 ,尺寸见表 7-7 。

7. 短月弯、单弯三通和双弯弯头
短月弯、单弯三通和双弯弯头型式见图 7-7 ,尺寸见表 7-8 。

8. 异径单弯三通
异径单弯三通型式见图 7-8 ,尺寸见表 7-9 。

9. 异径双弯弯头
异径双弯弯头型式见图 7-9 ,尺寸见表 7-10 。

10. 长月弯
长月弯型式见图 7-10 ,尺寸见表 7-11 。

11. 45°月弯
45°月弯型式见图 7-11 ,尺寸见表 7-12 。

12. 外接头
外接头型式见图 7-12 ,尺寸见表 7-13 。


13. 内外丝接头
内外丝接头型式见图 7-13 ,尺寸见表 7-14 。

14. 内外螺丝
内外螺丝型式见图 7-14 ,尺寸见表 7-15 。


15. 内接头
内接头见图 7-15 ,尺寸见表 7-16 。

16. 锁紧螺母
锁紧螺母型式见图7-16,尺寸见表7-17。锁紧螺母可以是平的或凹入式的,允许加工一个表面。s尺寸(扳手对边宽度)由制造商自行决定。螺纹应符合GB/T 7307《非螺纹密封管螺纹》的规定。

17. 管帽和管堵
管帽和管堵型式见图7-17,尺寸见表7-18。管帽可以是六边形、圆形或其他形状,由制造方决定。

18. 活接头
活接头型式见图7-18,尺寸见表7-19。其他类型座的设计和材料应符合表中所给出的尺寸a、b。 垫圈见7.2.20条。 活接头U1和U2可否同套管一起供应由制造方决定。

注:活接头(无论是否有适合于阀座设计的垫圈)应作为一个完整组件来使用,因为活接头的部件可以由不同的制造商来加工,也可以不同类型活接头的部件由同一个制造商来做,这些部件没有必要(要求)具有互换性。
19. 活接弯头
活接弯头型式见图7-19,尺寸见表7-20。其他类型座的设计和材料应符合表中给出的尺寸a、b和c。


注:活接头(无论是否有适合于阀座设计的垫圈)应作为一个完整组件来使用,因为活接头的部件可以由不同的制造商来加工,也可以不同类型活接头的部件由同一个制造商来做,这些部件没有必要(要求)具有互换性。
20. 垫圈
垫圈的型式见图 7-20 ,尺寸见表 7-21 。

垫圈材料和厚度根据用途,订货时由供需双方协定。

