球墨铸铁管件接口配套件型式与尺寸主要有以下几种:
一、接口型式与尺寸
1. DN40~DN1200 T型接口球铁管的型式见图6-2,公称尺寸见表6-2;DN1400T型接口球铁管的型式见图6-3,公称尺寸见表6-2。




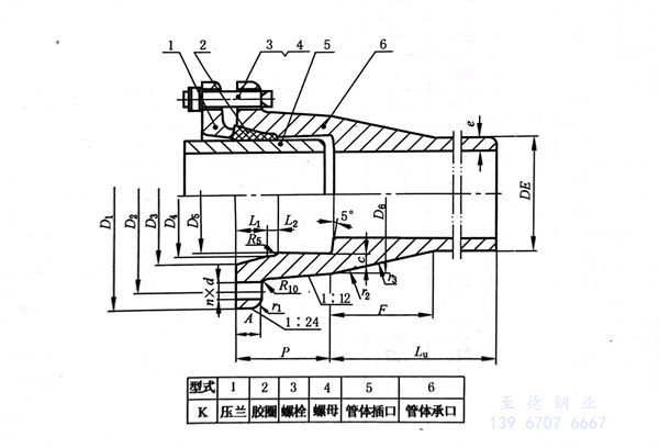
2. K 型接口球铁管的型式见图6-4,公称尺寸见表6-3;



3. NⅡ 型接口球铁管的型式见图6-5,公称尺寸见表6-4;


4. S Ⅱ 型接口球铁管的型式见图6-6,公称尺寸见表6-5;

二、接口配套件型式与尺寸
1. 压兰
①. 压兰型式与尺寸
a. 适用于K型接口的压兰型式见图6-7,尺寸见表6-6。

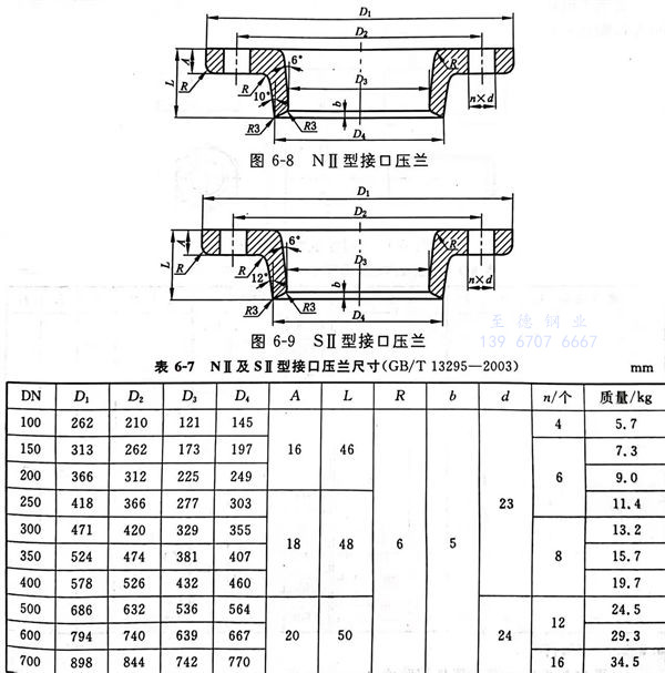
b. 适用于NⅡ及S Ⅱ型接口的压兰型式见图6-8及图6-9,尺寸见表6-7。

②. 尺寸允许偏差
压兰尺寸允许偏差见表 6-8;压兰的法兰尺寸允许偏差见规定。

2. 螺栓及六角螺母
适用于以球墨铸铁为材料,经过铸造和机械加工成型的柔性机械接口与管件用螺栓和六角螺母的型式见图6-10,尺寸见表6-9。

3. 密封件
a. T 型接口球铁管和管件用胶圈
T 型接口用胶圈的型式见图6-11 和图6-12,尺寸见表6-10。


b. K 型接口用胶圈
K 型接口用胶圈的型式见图6-13 ,尺寸见表6-11。

c. NⅡ型接口用密封件式
胶圈的型式见图6-14 ,尺寸见表6-12。

支撑圈的型式见图6-15 ,尺寸见表6-13。
d. SⅡ型接口用密封件式
密封圈的型式见图6-16 ,尺寸见表6-14。

隔离圈的型式见图6-17 ,尺寸见表6-15。

锁环的型式见图6-18 ,尺寸见表6-16。

