已有的研究表明,对不锈钢换热管和管板连接进行数值模拟时,三维模型可以简化为二维平面应力或轴对称模型。因此,bb708电子游戏娱乐采用2-D轴对称模型分析尺寸偏差对液压胀接压力的影响。为考虑管孔之间的相互作用,采用简化的单孔模型对不锈钢换热管和管板的胀接压力进行模拟,模型中等效套筒直径可采用以下公式进行计算:

对于Φ25mm×2mm的换热管,管板孔直径D=25.25mm,中心距H=32mm,根据式(4-5)计算得到等效套筒直径为43.4mm.换热管和管板实际连接如图4-8所示。

根据上述几何尺寸,图 4-9 给出了未标注尺寸偏差的几何模型。

网格划分均采用轴对称plane182单元,同时,采用TARGE169目标面单元和CONTA172接触面单元建立换热管与管板孔间的柔性面-面接触对,两接触面之间的摩擦系数取0.2,有限元模型如图4-10。
不锈钢换热管材料模型选用 Mises率不相关的多线性模型,模型中的参数来源于换热管材料拉伸曲线,如图4-11所示。拉伸试验时,试样取自未胀接换热管,将其加工成板状拉伸试样,尺寸见图4-12.管板材料选取各向同性的弹性模型。

通过分步法模拟胀接过程,即整个胀接过程经过以下三步完成:第一步,把载荷施加在管内壁上,即加载;第二步,胀接压力在管内壁停留几秒钟,即保压;第三步,在管内壁施加0MPa的压力,即卸载。胀接过程完成后,通过后处理器查看换热管外壁的残余位移Δur。若Δur=c,则认为换热管和管板正好连接紧密,此时,所对应的压力作为贴胀时的最小胀接压力psimmin,若Δur<c,则说明施的胀接压力过小,不能消除缝隙,增加胀接压力,重复以上过程,直到Δur略大于c。
通过对网格进行无关性验证发现,当网格总数为15065时计算能够收敛,并且计算结果差别在0.5%内。因此,我们认为该网格数可以满足本书的求解需要。
一、数值计算与理论计算的比较
1. 不考虑尺寸偏差
胀接从距离换热管口17.5mm处开始。不考虑换热管与管板管孔偏差时,换热管与管板管孔间的间隙c=0.125mm,换热管外壁径向位移随加载时间的变化曲线如图4-13所示。此时,换热管内壁施加压力是p=206MPa,残余位移Δur=0.125005mm,可以认为换热管和管板正好贴合。从图4-13中可以看出,随着压力的增加,径向位移增大,卸载后径向位移有所减小。这是因为加载时换热管发生了弹塑性变形,卸载后弹性恢复,只剩下塑性变形。胀接后的应力应变情况如图4-14所示。

不考虑换热管和管板孔直径偏差时,选取表4-1所示的换热管外直径、管板孔直径和管壁厚公称尺寸,建立不同k值下的有限元模型。图4-15所示为有限元模拟结果和式(4-1)理论计算结果,从图中可以看出,模拟值与计算值近似相等。因此,在不考虑换热管和管板孔直径偏差的情况下,采用式(4-1)可以得到合理的最小胀接压力。

2. 考虑尺寸偏差
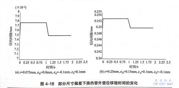
为了验证图4-6中理论计算结果的正确性,选择与图4-6完全相同的换热管和管板孔公称尺寸和偏差等几何条件,进行有限元模拟。图4-16给出了部分尺寸偏差下,换热管外壁径向位移随加载过程的变化情况。

所有的模拟结果如图4-17所示。比较图4-17和图4-6,两者差距较大。相同条件下,两种方法获得的最小胀接压力最大相差29MPa.因此,当换热管和管板孔直径存在尺寸偏差时,试图通过把偏差值直接附加到式(4-1)各物理量上,而得到合理的最小胀接压力是不可行的。

二、几何偏差对最小胀接压力的影响
1. 壁厚偏差的影响
为了讨论壁厚偏差εs对最小胀接压力的影响,选取表4-1所列最小、最大和最常用换热管外直径,即do=14mm、25mm和57mm的换热管,保持k=1.19,并不考虑管板孔和换热管外径偏差,分别建立不同壁厚偏差下的模型,进行有限元模拟。图4-18(a)给出了最小胀接压力随壁厚偏差变化的模拟结果,从图中可以看出,最小胀接压力随壁厚偏差的增加而增加,两者近似为直线关系。

为进一步分析壁厚偏差对最小胀接压力的影响,引入壁厚偏差影响修正系数fs,即fs=psmm/pmin,以及比壁厚偏差Es/S,将图4-18(a)转化成图4-18(b)。通过图4-18(b)可以看出,壁厚偏差影响修正系数fs随Es/S近似为直线变化,其线性关系可以表示为

对于do=19mm、38mm的换热管,壁厚偏差分别为εs=±0.1mm、±0.15mm,根据式(4-6)得到的最小胀接压力分别为211MPa、201.8MPa和207.6MPa、200.4MPa,有限元的模拟结果分别为212MPa、201MPa和206.5MPa、200MPa.充分说明式(4-6)给出的拟合关系是可信的。
2. 换热管外直径偏差和管板孔直径偏差的影响
不锈钢换热管外直径偏差和管板孔直径偏差对最小胀接压力的影响可以归结为初始径向间隙c的影响。保持k=1.19不变,根据表4-1中管外直径允许偏差范围和管板孔直径允许偏差范围,选取不同的管外直径偏差e.和管板孔直径偏差єD,以得到不同的初始径向间隙c,建立不同初始径向间隙c下的有限元模型。图4-19(a)所示为Psimmin 随c变化的规律。

为了定量分析初始径向间隙对最小胀接压力的影响,引入初始径向间隙影响修正系数fc(fo=psim min/pmin),以及比初始径向间隙c/do,将图4-19(a)转化成图4-19(b)。图4-19(b)说明,对不同的换热管外直径do,fc与c/d.之间关系为一簇近似平行的直线,可以表示为

3. 综合偏差的影响
在实际中,不锈钢换热管壁厚偏差、外直径偏差和管板孔直径偏差是同时存在的。因此,我们需要考虑三类偏差的共同影响。引入综合偏差影响修正系数f,即

为了检验式(4-10)的准确性,把采用式(4-10)计算得到的最小胀接压力与有限元模拟结果进行比较。根据GB/T 17395-2008《无缝钢管尺寸、外形、重量及允许偏差》和表4-1选取换热管和管板孔直径尺寸以及相应的偏差,所选择的换热管和管板孔的尺寸及它们的偏差均不在回归fs、fc时所选用的范围。计算和模拟结果见图4-20。从图中可以看出,两者的计算结果吻合得非常好,说明式(4-10)适用于满足表4-1几何尺寸及其偏差以及满足表4-2材料性能的换热管和管板孔相连接的最小胀接压力的计算。

从以上分析可知,不锈钢换热管外直径和壁厚、管板孔直径等几何尺寸及它们的偏差对最小胀接压力的计算有着交叉影响。由于换热管规格繁多,再加上尺寸偏差范围较大,全面分析这种影响将是一项十分繁重的工作。因此,将换热管外直径偏差和管板孔直径偏差的影响归结为初始径向间隙的影响,然后将换热管壁厚偏差的影响和初始径向间隙的影响分离开来,即讨论壁厚偏差影响时,设定管板孔和换热管外直径没有偏差,并且只考虑一种k值;而讨论初始径向间隙影响时,则设定换热管壁厚为一不变值,从而使问题得到了大大的简化。从更宽范围选取换热管外直径和壁厚、管板孔外直径等几何尺寸以及它们的偏差,通过式(4-10)计算和有限元模拟得到的最小胀接压力相互吻合得非常好,说明式(4-10)给出的修正公式的准确度是令人满意的。
为了避免尺寸超差对不锈钢换热管和管板连接强度的影响,美国管壳式热交换器制造商协会对最大允许缝隙进行了限制。而我国标准 GB 13296-2013和GB 13296-2007相比,对不锈钢换热管外直径偏差的要求更为严格,这在一定程度上减小了换热管和管板孔之间的最大允许间隙。
与其他文献相比,以上计算涉及的不锈钢换热管和管板孔尺寸及尺寸偏差范围广,因此,提出的修正系数f更具有普遍性。需要说明的是,在以上的分析中,没有考虑管板孔中心距尺寸偏差的影响。换热管材料发生变化后,式(4-9)能否继续使用,也有待进一步研究。

