不锈钢混合酸化学腐蚀加工工艺流程如下:
一、工艺流程
304不锈钢基体 → 化学除油①→ 热水洗 → 冷水洗 → 浸蚀② → 水洗 → 水洗 → 晾干 → 丝网印刷③ → 固化④ → 腐蚀加工⑤ → 水洗 → 脱胶⑥ → 烘干 → 成品检验入库。
网框准备:采用铝合金框及合成纤维丝网,按印料的黏度选用适当目数(150目)的丝网 → 涂感光胶⑦ → 干燥 → 将底片覆盖在感光胶上曝光 → 显影⑧ → 水洗 → 干燥 → 制成合格丝网板待丝印用。采用丝网印刷,可提高工作效率和细小线条有较好的分辨率。
注:各道工序的溶液成分及操作要点如下:


二、混合酸腐蚀加工的工艺参数对腐蚀速率及表面状况的影响
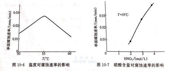
1. 温度的影响
不同温度对腐蚀速率的影响见图10-6。由图10-6可见,在温度55℃左右,腐蚀速率达到最高(0.027mm/min),温度再升高,速率反而下降,温度低于50℃时,表面状况较差。

2. 硝酸含量的影响
其他组分不变,硝酸含量对腐蚀速率的影响见图10-7,腐蚀速率随硝酸含量的升高而增高。浓度为3mol/L(相当于189g/L)时,表面状况良好,浓度为4mol/L(相当于252g/L)时,表面粗糙。
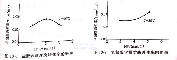
3. 盐酸含量的影响
其他组分不变,盐度含量对腐蚀速率的影响见图10-8。由图10-8可见,盐酸浓度为2mol/L(相当于192g/L)时,腐蚀速率最大,可达到0.027mm/min。

4. 氢氟酸含量的影响
其他组分不变,氢氟酸含量对腐蚀速率的影响见图10-9,由图10-9可见,氢氟酸浓度为4mol/L(相当于200g/L)时,腐蚀速率为0.025mm/min.经腐蚀4~10min,表面加工深度可达0.1~0.25mm。
5. 乙酸含量的影响
乙酸对腐蚀速率没有影响。少量的添加可以提高表面加工的表面光洁度,还可以防止氢氟酸挥发,减少污染。

