不锈钢电化学着彩色酸性溶液成分和工艺条件见表9-9。配方5 (见表9-9)的说明 。本配方由南京航空航天大学材料系 周一扬、吴继民提出

1. 施加电信号
采用中等含铬量的不锈钢1Cr17,在硫酸水溶液中以恒电位方波充电法使不锈钢表面产生彩色膜。脉冲方波见图9-10。采用此法有望能克服表面因在铬酸溶液中浸泡的时间较长,有时表面有粗糙现象产生的缺点。

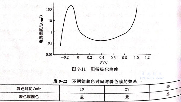
2. 不锈钢阳极极化曲线
在2mol/L(相当于196g/L)硫酸溶液中以逐点法得到不锈钢的阳极极化曲线,见图9-11,由图9-11可知,阳极钝态电位为0~0.9V.采用的脉冲电位范围为-0.1~1.0V,时间为0.001~0.100s.使用的实验仪器有恒电位仪、信号发生器、稳压电源、示波器,参比电极为饱和甘汞电极,对电极为铂电极。
3. 着色时间同着色膜颜色的关系

在蓝色、紫色、黑色之间没有明显的中间色出现。随着溶液温度增高及浓度加大。着色膜形成速率有加大的倾向。这种膜的生成,推测是由于膜-溶液的表面铬酸离子的生成、还原所致,并且在硫酸水溶液中恒电位方波脉冲下不锈钢表面形成的膜的铬离子含量较高之故。

