高铬镍不锈钢中的主要合金元素为铬和镍,其含量与配比对材料的综合耐蚀性能至关重要。高铬镍不锈钢常被用在湿法磷酸的生产设备上,在湿法磷酸生产工艺中,介质中含有磷矿石、硫酸、氯离子、氟离子等,工作温度为80℃,因此,材料的腐蚀变得复杂和苛刻。该材料在这类介质中具有良好的耐蚀性能主要源于铬和镍的适当配合。林凡等人就高铬镍不锈钢中铬、镍含量对腐蚀电化学特性的影响进行研究。结果表明,随着铬含量的增加,合金更容易钝化;随着镍含量的提高,合金钝态越稳定。高铬镍含量有利于合金钝化膜的形成。
1. 高铬镍不锈钢材料的制备
将原材料:微碳铬铁、钼铁、锰铁、钛铁、结晶硅、电解镍、电解铜、工业纯铁按一定比例在中频感应炉内熔炼浇铸成试样,出炉温度1530℃,浇注温度约1450℃。三种试样的化学成分见表6-17。

2. 高铬镍不锈钢实验方法
对1号、2号、3号材料进行阳极极化测试,测定材料在腐蚀介质中的致钝电位、维钝电位、维钝电流、点蚀电位和钝化电位范围。
实验介质:
磷酸(H3PO4) 54% 、氟离子(F-) 1% 、硫酸(H2SO4) 4% 、介质温度 76℃ 、氯离子(Cl-) 600mg/L
测定2号、3号材料在氯离子分别为200mg/L、600mg/L、1000mg/L、2000mg/L的上述介质中的致钝电位、维钝电位和点蚀电位。
采用俄歇电子能谱(AES)技术测定钝化膜中各元素的深度分布。运用X射线光电子能谱(XPS)对膜中各元素的氧化物组态进行分析。
3. 高铬镍不锈钢中铬、镍含量对合金钝化的影响
a. 铬含量的影响
图6-10表示合金致钝电位、维钝电位与含铬量的关系。由图6-10可见,当铬含量增加时,阳极极化曲线的致钝电位和维钝电位负移,使系统得到的腐蚀电位高于该金属的致钝电位,促进了合金更快地进入钝态。或者说铬量的增加,能使合金在更低的电位就能钝化。

b. 镍含量的影响
图6-11为合金致钝电流密度、维钝电流密度与镍含量的关系。由图可见,合金在介质中的致钝电流密度与维钝电流密度随镍量的增加而变小。

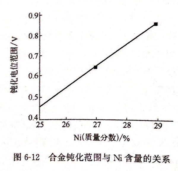
图6-12为合金钝化范围与镍含量的关系。由图6-12可见,合金在介质中的钝化准围随镍量的增加逐渐变宽。
电化学反应的阴极过程受阻滞的步骤通常认为是氢原子在电极上的还原过程,氢在镍表面反应交换电流密度较少,因而随着极化电位的增加,合金的维钝电流仍能维持在较低的水平,使钝化状态保持在较宽的范围内。同时镍固溶于钝化膜中,而且被氧化的较少,从而增加钝化膜和金属表层的热力学稳定性。
4. 介质中氯离子和氟离子的影响
图6-13为氯离子含量对合金致钝电位、维钝电位的影响,图6-14为氯离子对合金过钝化电位的影响。由图6-13可见,在不同氯离子含量的介质中,2号合金的致钝电位和维钝电位基本上低于3号合金。随着铬量的增加,合金更容易钝化,说明在耐氯离子腐蚀中,有足够铬含量的重要性。

由图6-14可见,在不同氯离子含量的介质中,3号合金的过钝化电位更正些表明合金的钝化稳定性更强些。
反应介质中含有氯离子和氟离子,使已经钝化的合金重新活化,除氢外,氯离子的活化能力大于氟离子,而氟离子又明显增加了氯离子对活化区阳极溶解的去极化作用。因此,图6-13、图6-14所示的应是氯离子和氟离子共同作用的结果。研究表明,增加合金中的铬含量有利于合金在较低的电位就进入钝化状态,更快地使合金表层形成较完整的氧化膜,并在较低的电位维持钝态。从图6-12、图6-14的结果可以看出,增加合金的镍含量,可使3号合金的钝化范围更宽,过钝化电位更正。这表明镍在合金中可以起到稳定合金表层钝化状态的作用,并有助于延长发生孔蚀核的诱导时间。
5. 合金钝化膜的表层结构分析
图6-15为合金钝化膜中各元素的深度分布曲线(AES),图6-16为合金钝化膜表层的俄歇电子能谱图(AES)。

对钝化膜中各元素氧化物的组态进行了XPS分析,并将溅射前后钝化膜表层和基体中氧、铁、铬、镍、钼各元素的氧化峰及金属峰结合能与标准手册上的结合能进行对比。所测试到的各元素的结能均采用 OIs 峰进行标定,见表 6-18。

从AES和XPS的分析结果可知,钝化膜表层氧富集较多,其次是铬和铁。同时,在合金的钝化膜表层中,铬基本上全部氧化,以三氧化二铬(Cr2O3)的形式存在。铁有部分被氧化成氧化亚铁(FeO)和三氧化二铁(Fe2O3),钼有部分被氧化成三氧化钼(MoO3),而镍只有少量被氧化成氧化镍(NiO)。从氧的结合能可看到,钝化膜主要是O-M-O键。这就使金属与溶液界面上形成了一道屏障层。这种由O-M-O键组成的屏障,决定钝化膜表面的活性点少,钝化膜有高效的化学稳定性,不易受到破坏,而这些都与恰当的铬、镍匹配分不开。

