Cr18Ni13Mo3不锈钢用作外科植入物的制造,表面经机械抛光、电化学抛光、化学钝化,工艺还不够完善,特别是钝化工艺,行业内的差距很大。为此,齐宝芬对外科植入物不锈钢产品的钝化条件进行了实验探索,得出一些实际使用的结果。
1. 钝化液的选择
试样材料为Cr18Ni13Mo3、Cr18Ni14Mo3、Cr18Ni15Mo3等制作的骨连接用接骨板、接骨螺钉及髓内钉(梅花针)。实验钝化液的两种配方见表6-2,表6-2列出不锈钢产品30℃钝化后的表面点蚀电位(mV),试样经机械抛光(800#砂纸+布抛光)、清洗、干燥后分别放入两类钝化液中,钝化后测定不锈钢的耐腐蚀性能Eb值(表面点蚀电位)。如表 6-2 的Eb值所示,两种钝化液在相同条件下钝化的样品点蚀电位Eb值都无明最差异。理论上,目前对钝化膜的成膜机理有多种解释,其中之一是产品钝化后表面为含有铬的氧化膜,铬的存在对形成氧化膜起重要作用。不锈钢产品含铬量为17%~20%,有是够的铬参与成膜,故钝化液中是否加入重铬酸钾(K2C2O3)对钝化膜的性能影响不大。目前英美等国对外科植入物不锈钢产品的纯化也都共同推荐硝酸水溶液的钝化配方。

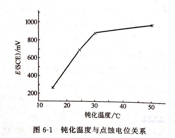
2. 钝化液温度的选择
化学反应速率随温度的升高而加快。钝化液中硝酸随温度的升高而挥发增大。因此,基于实际可操作性为原则,选择温度在50℃以下。实验在硝酸20%,时间2小时,不同的温度钝化后测出不锈钢的点蚀电位Eb,见图6-1,从曲线可见,50℃时的点蚀电位最高,30℃时的点蚀电位稍低,30℃以下的点蚀电位急剧下降,30℃以下的温度不可取,50℃时的产品耐蚀性最好。

3. 钝化时间的选择
①. 实验是在25%硝酸+2.5%重铬酸钾的钝化液中,温度30℃时,钝化时间分别为2h、4h、6h、12h的条件下钝化后,在0.9%氯化钠水溶液中于(37±1)℃电化学测试得样品的点蚀电位,见图6-2。
从图6-2可见,钝化6小时的点蚀电位达到最高值,且平行试样测试中的点蚀电位重现性好,产品耐蚀性能稳定。若钝化时间过短,如2小时,则同批产品中钝化性能质量不稳定,点蚀电位差异较大。

②. 第二个实验是在20%硝酸钝化液中,钝化温度为50℃下,选择不同的时间钝化后,其在相同的条件下测得的点蚀电位见图6-3。
从图6-3可见,在钝化温度50℃,钝化时间以30~60分钟时的点蚀电位高且稳定,钝化性能好。
4. 外科植入不锈钢产品钝化工艺
钝化液应选用 20%~30%硝酸溶液,温度50℃时钝化时间为 30~60分钟,温度30℃时钝化时间为6小时。

