1. 大气暴晒试验
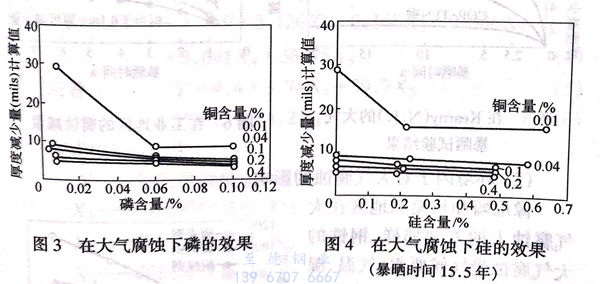
耐候钢具有的优秀特性之一就是耐候性,然而为了知道暴露在大气中的钢材怎样地被腐蚀则需要非常长的时间。如前所述,U.S.Steel公司在各个暴晒试验场进行了长期的试验,该公司的Larabee关于合金元素的效果曾经发表过图1~图4所示的实验结果。根据些图可以知道,对大气腐蚀最有效果的元素是铜,0.1%铜的钢和0.01%铜的钢其耐蚀性显著不同。现把单独添加其他合金元素时的效果分别总结如下。


对提高耐候性有显著效果的元素:P、Cu、Cr;
对提高耐候性稍有效果的元素:Ni、Mo、V、Nb、Ti 等。
对提高耐候性没有效果的元素:C、Si、Mn、S。
在这里重要的是:这些合金元素复合添加,可以获得比分别单独添加更高的双重效果,Cr、P等与Cu共存最初发挥作用的结果表示在图2~图4。复合添加的代表是U.S.Steel公司开发的添加了Cu-P-Cr-Ni的COR-TEN钢,把这种钢的耐候性与碳素钢及含铜钢的进行比较,结果表示于图5。

日本与美国相比,一般来说由于高温、潮湿,大气腐蚀严重,环境条件比较严酷。因此,日本各公司分别在不同环境条件的各地区进行了暴晒试验,图6及图7分别示出了在腐蚀环境严酷的工业地带尼崎地区和环境比较好的半田园地带的相模原地区所获得的有关COR-TEN钢的暴晒试验结果。如果根据这些图来比较暴晒时间第7年的腐蚀减量时,尼崎地区的场合COR-TEN钢只不过是碳素钢的26%.如果改变方法来比较厚度减少到0.1mm的时间时,COR-TEN钢为5年左右,在此以后腐蚀减量大为下降;而含铜钢是2.5年,490MPa(50kg/m㎡)级高强度钢是1年,碳素钢是9个月,而且因为COR-TEN钢以外的钢种腐蚀一直没有发生钝化,所以使其差别进一步增大。在进行钢铁结构物的设计时,如果考虑钢材锈所起到的作用,人们将会容易理解耐候钢的优越性。

半田园地区与工业地区相比腐蚀量显著减少,所以耐候钢和碳素钢的腐蚀量的差别不太大,然而这是由于大气中所含的二氧化硫浓度在工业地区高的原因。
2. 环境因子对大气腐蚀的影响
像尼崎和相模原地区在大气腐蚀上的差别那样,钢铁的含铜钢大气腐蚀受气候要素(气温、湿耐候钢度、降雨量等)或大气污染因子(二氧化硫、海盐粒子、沉积煤尘等)等环境因子的影响。
通过这些公式可以说,在任何公式中二氧化硫浓度的影响最大。根据福井等的研究,如果把(4)、(5)、(6)各式和实测值进行比较时,如表3出示的式(6)的简略式的计算值与实测值非常一致,表明钢铁的大气腐蚀事实上可以作为二氧化硫浓度的函数求出来。

3. 关于耐候性的考察
如果把不锈钢暴露在大气中时,就会在表面上生成稳定而且很薄的氧化覆膜(钝化覆膜),以后不再被氧化,永远不会失去光泽,可是把候钢放在大气中进行暴晒时则生成锈,和碳素钢的外观完全不同。而且在腐蚀进行中一旦生成某种程度的锈层时,耐候钢的锈层就会对腐蚀起保护作用,显著地抑制以后的腐蚀,然而因为碳素钢的锈层没有这样的抑制效果,在腐蚀量上产生差异,所以当然认为耐候钢的特长就在于这种锈层的保护效果。
关于这一点,耐候钢和碳素钢是同样的,如图8所示,在腐蚀初期耐候钢的锈的生成较快。可是随着长时间暴晒,初期的红锈在大气干湿交替之中,在邻接钢的表面部分慢慢形成带有蓝色的锈层,一般也被称为“自涂漆钢”。

像上述那样进行直观的考虑时,可以认为在耐候钢上因为能形成致密而且粘附性良好的锈层,所以能够阻碍水、氧、二氧化硫等腐蚀性物质的渗透。例如Cadius和Schulz[6]就认为钢中含有铜时,在褐色锈的下面能生成致密的CuO和FeO、Fe2O3·H2O混合的黑色锈层,在黑色锈层下面进一步形成Cu·CuO层,通过这种致密锈的保护作用提高了耐蚀性。
但是,根据Mayne7的观点,即使有致密锈层的存在也难以认为能够充分阻止水和氧的透过,像涂膜之类的物质,钢铁腐蚀所需要的水分、氧等的透过速度越充分腐蚀能力越大,所以好像还不能说锈层阻止透过的能力超过涂膜。
Copson 注意到图1出示的铜对钢铁的大气腐蚀的影响显著,研究了钢中的铜量和锈层的化学组成之间的关系,结果如图9所示,通过添加微量0.05%Cu,锈层中的SO4-已达到饱和,所以认为铜和SO4-按一定比例生成的络盐形成了致密层,可是难点是一直没有掌握络盐的实质。

如上所述可知,耐候钢的所谓的稳定锈层由于致密所以抑制了水或氧的渗透,大体上能完全阻止后续的腐蚀反应,可是关于含有Cu、Cr、P等的耐候钢上为什么能生成致密的锈层,并且所谓这种致密性是什么东西?实际情况一直没有确切的说明。在日本以学振97委员会为中心,积极进行了试图阐明耐候钢特长的研究,已经知道有久松·增子、下平、冈田·细井等、松岛·上野、小若·佐武等以及轰·门等的研究。
冈田等用X射线衍射、断面显微镜观察、XMA、铁锈试验、锈层的电解还原等方法,研究了耐候钢和碳素钢的锈层特征。其结果是:(1)耐候钢经5年的暴晒材的锈层在铁基体上几乎没有FeOOH存在的部位,在FeOOH层和铁基体之间能观察到非常致密的层。相反,在碳素钢的锈层上能够观察到FeOOH存在的部位,而且裂纹也多;(2)如果综合X射线衍射和电解还原法的结果,在耐候钢的锈的下层存在的致密层是由X射线非晶质的尖晶石型氧化铁构成的;(3)根据XMA检测,在耐候钢中所含有的Cu、Cr、P等有效添加元素在锈下层的致密层中浓缩,根据这些实验结果锈层的构造可以用模式图表示在图10,并且在耐候钢中所含有的Cu、Cr、P有效添加元素等在红锈层(FeOOH)的下面浓缩,对稳定非晶质的类似于磁铁矿的锈层有效果,认为这种非晶质锈层是耐候钢的防蚀作用的本质。
轰·门等所进行的耐候钢锈层结构分析的结果表明,用X射线衍射检测出了α-FeOOH、y-FeOOH及Fe3O4,虽然和碳素钢相比没有变化,可是在XMA面分析上看到了Cu、Cr、P以及S的浓缩,特别是硫的浓缩比碳素钢显著。就是说,碳素钢的硫的浓缩在外层部分多,而耐候钢的S的浓缩在全体锈层中均匀分布,而且与碳素钢相比硫的浓缩相当多(参照照片1、2).该结果与Copson所说的越是耐候性优秀的钢其锈层中含有的硫酸盐越多的研究结果(图9)一致。

根据轰等的研究,如表4所示,耐候钢锈内层的硫浓度达到0.45%,相当于基体铁中硫含量的20倍以上,所以认为大部分硫是大气中的SO2形成硫酸盐后被固定下来的。Chandler 等叙述了在大气暴晒材的锈层中含有4%S04-离子,其中可溶性硫酸铁借助于内层大量存在着,Schwarz像图11那样确认了在基体铁表面上形成了FeSO4'nH2O,并且Tanner在被锈覆盖的基体铁的很浅的凹痕处发现了FeSO4·4H2O,认为这个凹痕是局部腐蚀反应的阳极点。Evans 也谈到金属表面的间隙部裂纹等也变成了阳极,SO4-离子向那些部分迁移形成了硫酸铁。


松岛用放射性影法研究了锈层缺陷的分布,发现耐候钢缺陷部(活性点、阳极部分)少。他们根据这一结果得出结论,带有锈层的钢的腐蚀是通过缺陷部分借助腐蚀性物质的渗透进行的。
综合考虑以上结果,大气腐蚀反应的第一阶段是在硫酸盐的环境下进行的。其理由是,在这样的条件下只能生成硫酸亚铁,虽然也能通过锈层向基体铁充分供给氧,可是不被氧化能够稳定地存在,以及从存在于锈层中的硫酸亚铁的含水量少来看,是由于腐蚀环境处在比较高的温度。例如已经知道4水盐在60℃生成,认为在实际的大气暴晒的日照条件下,温度上升到这种程度非常容易实现。
在以上的锈层/基体铁界面上进行腐蚀时,关于其腐蚀气氛保持酸性的理由,可以考虑Schikorr 提出的循环反应的理由,即通过以下的反应保持酸性:
在这里,对判定钢的耐候性的模型实验来说,在硫酸溶液中测定腐蚀特性的方法是合适的。这种实验轰等。

曾经进行过,在98%硫酸中比较耐候钢和碳素钢的腐蚀量时,如图12所示,经过4周浸泡没有发现钢种的差异,可是浸泡时间超过4周以上时,耐候钢的腐蚀速度显著降低,与碳素钢的差异增大,发现和实际暴晒试验的结果完全一致。他们也测定了98%硫酸中的极化特性,阳极极化耐候钢和碳素钢相同,可是随着浸泡时间的增长发现极化明显增大,和碳素钢的差别显著。进一步确定了耐候钢在98%硫酸中生成的容易剥离的腐蚀生成物和碳素钢的场合相同,都是FeSO4·nH2O(n=2.1及2.5),不存在Cr、Cu等,在溶液中也几乎不析出,并且确认了在耐候钢的场合,这种硫酸铁层下面存在有Cu、Cr等浓缩后的非常薄的氧化膜(参照表5)。

根据这些数据来看,在浓硫酸中的腐蚀特性和大气腐蚀非常对应,可以推论在硫酸铁/基体铁界面上形成的非常薄的覆膜(钝化覆膜)支配着耐蚀性。轰等进一步在5%硫酸中通过外部电流给与钝化电位的条件下使钢表面形成钝化覆膜,用CI-离子破坏这种覆膜,测定电流-时间曲线时,得到像图13那样的结果,发现越是耐蚀性优秀的钢钝化覆膜越稳定,并与大气腐蚀试验的结果很一致。
如果这样来考虑的话,低合金钢的大气腐蚀则受基体铁表面上形成的Cu、Cr等浓缩的非常薄的覆膜的阳极反应支配,可以说耐候钢的特长就是这种阳极反应的抑制效果。该观点与上述的冈田等的模型(图10)中,把Cu、Cr、P等浓缩的非晶质的磁铁矿类似层作为耐候钢防蚀的本质的观点也很一致,二者都提示有钝化覆膜的存在是极其令人感兴趣的问题。

